图片仅供参考,请以已选的规格为准
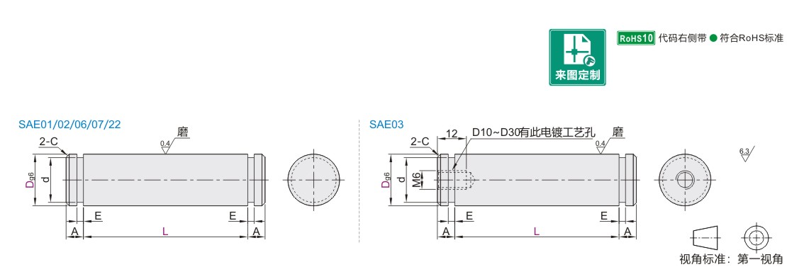
实心导向轴 直杆型·带挡圈槽型 D公差g6
品牌名称:
怡合达
条件筛选:
产品型号:
未税折扣单价: -- --
含税折扣单价: ----
含税总价 (税率13%): ¥--
预计发货天数:-- 天 (发货天数以下单次日起算,不含周日与法定假日)
购买数量():
起订量:0
, 加量幅度:0
登录后可查看价格、加入购物车、一键购买
立即登录
价格生成中...
登录后可查看价格、加入购物车、一键购买
立即登录
代码的技术资料信息曾有所变更,可前往 型号勘误表 查看变更记录
配件商品
同类人气商品
引导式选型
型号筛选
可选加工(可选)
未生成型号,还有 9 项未选择
重置
代码
无数据
参数选型
材质
无数据
表面处理
无数据
形状筛选
种类筛选
轴端加工(右)
轴端加工(左)
产品选型
代码
无数据
轴径D(mm)
无数据
长度L(mm)
价格生成中...
规格参数
全部型号
3D预览
规格参数
可选加工参数
产品简介
材质图
参数图
| 代码 | 类型 | D公差 | 材质 | 硬度 | 表面处理 | |
| 国标 | 相当 | |||||
| SAE01 | 带挡圈槽型 | g6 | GCr15 | SUJ2 | 高频淬火 有效硬化层深度见P16 淬火硬度 GCr15 HRC56~ 9Cr18Mo或同等硬度耐蚀钢 HRC55~ S415C HRC56~ |
— |
| SAE02 | 镀硬铬,镀层硬度HV750~,镀层厚度3µm~ | |||||
| SAE03 | 低温镀黑铬 | |||||
| SAE06 | 9Cr18Mo 或同等硬度耐蚀钢 |
SUS440C 或同等硬度耐蚀钢 |
— | |||
| SAE07 | 镀硬铬,镀层硬度HV750~,镀层厚度3µm~ | |||||
| SAE22 | 45 | S45C | ||||

圆度/直线度/垂直度/同轴度/硬度变化/铬层分布,请参阅导向轴产品简介。
选型表
| 型号 | L 最小单位1 |
A | E | d | 附带挡圈(2个) | C | |||||
| 代码 | Dg6 | SAE01/06 | SAE02/07/22 | ||||||||
|
SAE01 SAE02 SAE03 SAE06 SAE07 SAE22 |
3 | -0.002 -0.008 |
8~400 | 2 | 0.5 | +0.05 0 |
2 | +0.06 0 |
TBP11-2 | TBP12-2 | 0.5 以下 |
| 4 | -0.004 -0.012 |
0.7 | +0.1 0 |
3 | TBP11-3 | TBP12-3 | |||||
| 5 | 4 | +0.075 0 |
TBP11-4 | TBP12-4 | |||||||
| 6 | 15~600 | 5 | TBP11-5 | TBP12-5 | |||||||
| 8 | -0.005 -0.014 |
15~800 | 3 | 0.9 | +0.14 0 |
7 | +0.09 0 |
TBP11-7 | TBP12-7 | ||
| 10 | 1.15 |
9.6 | 0 -0.09 |
TBP01-10 | TBP02-10 | ||||||
| 12 | -0.006 -0.017 |
15~1000 | 3.5 | 11.5 | 0 -0.11 |
TBP01-12 | TBP02-12 | ||||
| 13 | 20~1000 | 12.4 | TBP01-13 | TBP02-13 | |||||||
| 15 | 20~1200 | 14.3 | TBP01-15 | TBP02-15 | |||||||
| 16 | 25~1200 | 15.2 | TBP01-16 | TBP02-16 | |||||||
| 18 | 1.35 | 17 | TBP01-18 | TBP02-18 | |||||||
| 20 | -0.007 -0.020 |
19 | 0 -0.21 |
TBP01-20 | TBP02-20 | 1.0 以下 |
|||||
| 25 | 30~1200 | 4.5 | 23.9 | TBP01-25 | TBP02-25 | ||||||
| 30 | 1.65 | 28.6 | TBP01-30 | TBP02-30 | |||||||
SAE03仅适用于D≤30且L≤500。
适用挡圈请参阅P888/890。
使用示例

可选加工参数

产品简介
1. 添加筛选条件,生成产品型号
客服
购物车
公众号
微信公众号
订单/资讯随手掌握
微信技术交流服务群
扫码添加进群
浏览记录
问题反馈
置顶
Copyright © 2010-2026 东莞怡合达自动化股份有限公司 版权所有 粤ICP备14032684号
营业执照: 91441900566614589Q