图片仅供参考,请以已选的规格为准
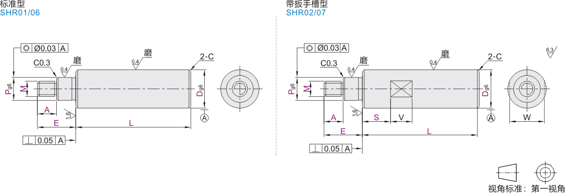
实心导向轴 一端外螺纹台阶型 带扳手槽型 D公差g6
条件筛选:
产品型号:
未税折扣单价: -- --
含税折扣单价: ----
含税总价 (税率13%): ¥--
预计发货天数:-- 天 (发货天数以下单次日起算,不含周日与法定假日)
购买数量():
起订量:0
, 加量幅度:0
登录后可查看价格、加入购物车、一键购买
立即登录
价格生成中...
登录后可查看价格、加入购物车、一键购买
立即登录
代码的技术资料信息曾有所变更,可前往 型号勘误表 查看变更记录
配件商品
同类人气商品
引导式选型
型号筛选
可选加工(可选)
未生成型号,还有 10 项未选择
重置
代码
无数据
参数选型
材质
无数据
轴身加工
无数据
产品选型
代码
无数据
轴径D(mm)
无数据
长度L(mm)
台阶长度E(mm)
螺纹长度A(mm)
台阶直径P(mm)
外螺纹M(mm)
无数据
扳手槽距离端面距离S(mm)
价格生成中...
规格参数
全部型号
3D预览
规格参数
可选加工参数
产品简介
材质图
参数图
| 代码 |
类型 |
D公差 |
材质 |
硬度 |
表面处理 |
|
| 国标 | 相当 | |||||
| SHR01 | 标准型 | g6 | GCr15 | SUJ2 | 高频淬火 有效硬化层深度见P16 淬火硬度 GCr15 HRC56~ 9Cr18Mo或同等硬度耐蚀钢 HRC52~ |
— |
| SHR06 | 9Cr18Mo或同等硬度耐蚀钢 | SUS440C或同等硬度耐蚀钢 | ||||
| SHR02 | 带扳手槽型 | GCr15 | SUJ2 | |||
| SHR07 | 9Cr18Mo或同等硬度耐蚀钢 | SUS440C或同等硬度耐蚀钢 | ||||

圆度/直线度/垂直度/同轴度/硬度变化/铬层分布,请参阅导向轴产品简介。
扳手槽、轴端加工部分(有效螺纹长度+10mm左右)可能会因加工的退火效应而导致硬度降低,详情请参阅导向轴概要。
SHR01~06
| 型号 |
最小单位1 |
M 选择 |
C |
|||||
| 代码 | Dg6 | L | E | A | P | |||
| SHR01 SHR06 |
4 | -0.005 -0.014 |
20~200 | 5≤E≤P×5 | (无螺纹时) A=0 M≤A≤M×3 |
M<P<D | 3 | 0.2 以下 |
| 5 | 20~300 | 3 4 | ||||||
| 6 | 20~300 | 3 4 5 | 0.5 以下 |
|||||
| 8 | -0.005 -0.014 |
20~300 | 3 4 5 6 | |||||
| 10 | 20~350 | 4 5 6 8 | ||||||
| 12 | -0.006 -0.017 |
20~350 | 5 6 8 10 | |||||
| 13 | 20~350 | 5 6 8 10 | ||||||
| 15 | 20~350 | 5 6 8 10 12 | ||||||
| 16 | 20~350 | 5 6 8 10 12 | ||||||
| 18 | 20~350 | 5 6 8 10 12 | ||||||
| 20 | -0.007 -0.020 |
20~450 | 6 8 10 12 16 | 1 .0 以下 |
||||
| 25 | 20~450 | 8 10 12 16 20 | ||||||
| 30 | 20~450 | 8 10 12 16 20 24 | ||||||
SHR02~07
| 型号 |
最小单位1 |
M 选择 |
扳手槽尺寸 |
C |
|||||||
| 代码 | Dg6 | L | E | A | P | S | W | V | |||
| SHR02 SHR07 |
6 | -0.005 -0.014 |
20~300 | 5≤E≤P×5 | (无螺纹时) A=0 M≤A≤M×3 |
M<P<D | 3 4 5 | 根据使用要求指定 S尺寸 最小单位1 扳手槽尺寸参阅导向轴 产品简介 |
5 | 8 | 0.5 以下 |
| 8 | -0.005 -0.014 |
20~300 | 3 4 5 6 | 7 | |||||||
| 10 | 20~350 | 4 5 6 8 | 8 | ||||||||
| 12 | -0.006 -0 017 |
20~350 | 5 6 8 10 | 10 | 10 | ||||||
| 13 | 20~350 | 5 6 8 10 | 11 | ||||||||
| 15 | 20~350 | 5 6 8 10 12 | 13 | ||||||||
| 16 | 20~350 | 5 6 8 10 12 | 14 | ||||||||
| 18 | 20~350 | 5 6 8 10 12 | 16 | ||||||||
| 20 | -0.007 -0.020 |
20~450 | 6 8 10 12 16 | 17 | 1 .0 以下 |
||||||
| 25 | 20~450 | 8 10 12 16 20 | 22 | ||||||||
| 30 | 20~450 | 8 10 12 16 20 24 | 27 | 15 | |||||||
可选加工参数

产品简介
1. 添加筛选条件,生成产品型号
客服
购物车
公众号
微信公众号
订单/资讯随手掌握
微信技术交流服务群
扫码添加进群
浏览记录
问题反馈
置顶
Copyright © 2010-2026 东莞怡合达自动化股份有限公司 版权所有 粤ICP备14032684号
营业执照: 91441900566614589Q