图片仅供参考,请以已选的规格为准
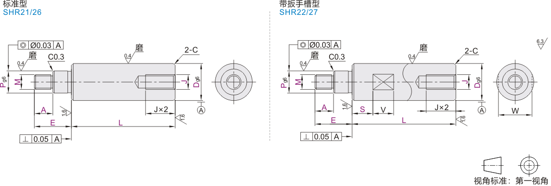
实心导向轴 一端台阶外螺纹一端内螺纹 带扳手槽型 D公差g6
条件筛选:
产品型号:
登录后可查看价格、加入购物车、一键购买
立即登录
引导式选型
型号筛选
未生成型号,还有 11 项未选择
代码
参数选型
材质
轴身加工
产品选型
轴径D(mm)
长度L(mm)
台阶长度E(mm)
螺纹长度A(mm)
台阶直径P(mm)
外螺纹M(mm)
内螺纹J(mm)
扳手槽距离端面距离S(mm)
技术参数
3D预览
可选加工参数
产品简介
材质图
参数图
| 代码 |
类型 |
D公差 |
材质 |
硬度 |
表面处理 |
|
| 国标 | 相当 | |||||
| SHR21 | 标准型 | g6 | GCr15 | SUJ2 | 高频淬火 有效硬化层深度见P16 淬火硬度 GCr15 HRC56~ 9Cr18Mo或同等硬度耐钢 HRC52~ |
— |
| SHR26 | 9Cr18Mo或同等硬度耐蚀钢 | SUS440C或同等硬度耐蚀钢 | ||||
| SHR22 | 带扳手槽型 | GCr15 | SUJ2 | |||
| SHR27 | 9Cr18Mo或同等硬度耐蚀钢 | SUS440C或同等硬度耐蚀钢 | ||||

D=4~5时,C=0.2以下 ; D=6~18时,C=0.5以下 ; D=20~30时,C=1.0以下。
圆度/直线度/垂直度/同轴度/硬度变化/铬层分布,请参阅导向轴产品简介。
扳手槽、轴端加工部分(有效螺纹长度+10mm左右)可能会因加工的退火效应而导致硬度降低,详情请参阅导向轴概要。
标准型
| 型号 |
最小单位1 |
M 选择 |
J 选择 |
|||||
| 代码 | Dg6 | L | E | A | P | |||
| SHR21 SHR26 |
4 | -0.005 -0.014 |
20~200 | 5≤E≤P×5 | (无螺纹时) A=0 M≤A≤M×3 |
M<P<D | 3 | 2 |
| 5 | 20~300 | 3 4 | 2.6 3 | |||||
| 6 | 20~300 | 3 4 5 | 3 | |||||
| 8 | -0.005 -0.014 |
20~300 | 3 4 5 6 | 3 4 5 | ||||
| 10 | 20~350 | 4 5 6 8 | 3 4 5 6 | |||||
| 12 | -0.006 -0.017 |
20~350 | 5 6 8 10 | 4 5 6 8 | ||||
| 13 | 20~350 | 5 6 8 10 | 4 5 6 8 | |||||
| 15 | 20~350 | 5 6 8 10 12 | 4 5 6 8 10 | |||||
| 16 | 20~350 | 5 6 8 10 12 | 4 5 6 8 10 | |||||
| 18 | 20~350 | 5 6 8 10 12 | 4 5 6 8 10 12 | |||||
| 20 | -0.007 -0.020 |
20~450 | 6 8 10 12 16 | 4 5 6 8 10 12 | ||||
| 25 | 20~450 | 8 10 12 16 20 | 4 5 6 8 10 12 16 | |||||
| 30 | 20~450 | 8 10 12 16 20 24 | 6 8 10 12 16 20 | |||||
带扳手槽型
| 型号 |
最小单位1 |
M 选择 |
J 选择 |
扳手槽尺寸 |
|||||||
| 代码 | Dg6 | L | E | A | P | S* | W | V | |||
| SHR22 SHR27 |
6 | -0.005 -0.014 |
20~300 | 5≤E≤P×5 | (无螺纹时) A=0 M≤A≤M×3 |
M<P<D | 3 4 5 | 3 | * 客户 指定 |
5 | 8 |
| 8 | -0.005 -0.014 |
3 4 5 6 | 3 4 5 | 7 | |||||||
| 10 | 20~350 | 4 5 6 8 | 3 4 5 6 | 8 | |||||||
| 12 | -0.006 -0 017 |
5 6 8 10 | 4 5 6 8 | 10 | 10 | ||||||
| 13 | 5 6 8 10 | 4 5 6 8 | 11 | ||||||||
| 15 | 5 6 8 10 12 | 4 5 6 8 10 | 13 | ||||||||
| 16 | 5 6 8 10 12 | 4 5 6 8 10 | 14 | ||||||||
| 18 | 5 6 8 10 12 | 4 5 6 8 10 12 | 16 | ||||||||
| 20 | -0.007 -0.020 |
20~450 | 6 8 10 12 16 | 4 5 6 8 10 12 | 17 | ||||||
| 25 | 8 10 12 16 20 | 4 5 6 8 10 12 16 | 22 | ||||||||
| 30 | 8 10 12 16 20 24 | 6 8 10 12 16 20 | 27 | 15 | |||||||
带 * 号S根据使用要求指定尺寸 ,最小单位1。
扳手槽尺寸参阅导向轴产品简介。