图片仅供参考,请以已选的规格为准
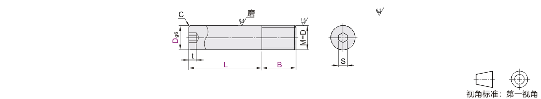
实心导向轴 一端内六角孔一端外螺纹同径型 D公差g6
条件筛选:
产品型号:
未税折扣单价: -- --
含税折扣单价: ----
含税总价 (税率13%): ¥--
预计发货天数:-- 天 (发货天数以下单次日起算,不含周日与法定假日)
购买数量():
起订量:0
, 加量幅度:0
登录后可查看价格、加入购物车、一键购买
立即登录
价格生成中...
登录后可查看价格、加入购物车、一键购买
立即登录
代码的技术资料信息曾有所变更,可前往 型号勘误表 查看变更记录
相似商品
同类人气商品
引导式选型
型号筛选
可选加工(可选)
未生成型号,还有 6 项未选择
重置
代码
无数据
参数选型
材质
无数据
表面处理
无数据
产品选型
代码
无数据
轴径D(mm)
无数据
长度L(mm)
螺纹长度B(mm)
价格生成中...
规格参数
全部型号
3D预览
规格参数
产品简介
材质图
参数图
| 代码 | 类型 |
D公差 | 材质 | 硬度 | 表面处理 | ||
| 国标 | 相当 | ||||||
| SJA31 | 内六角孔型 | 外螺纹同径型 | g6 | GCr15 | SUJ2 | 高频淬火 有效硬化层深度见P137 淬火硬度 GCr15 HRC56~ 9Cr18Mo或同等硬度耐蚀钢 HRC55~ |
— |
| SJA32 | 镀硬铬,镀层硬度HV750~,镀层厚度3µm~ | ||||||
| SJA36 | 9Cr18Mo 或同等硬度耐蚀钢 |
SUS440C 或同等硬度耐蚀钢 |
— | ||||
| SJA37 | 镀硬铬,镀层硬度HV750~,镀层厚度3µm~ | ||||||

注意:B=0时,无外螺纹。
圆度/直线度/垂直度/同轴度/硬度变化/铬层分布,请参阅导向轴产品简介。
轴端加工部分(有效螺纹长度+10mm左右)可能会因加工的退火效应而导致硬度降低,详情请参阅导向轴概要。
选型表
| 型号 | 最小单位1 | 最小单位 | C | S | 内六角空深度t | |
| 代码 | D | L | B | |||
|
SAJ31 SAJ32 SAJ36 SAJ37 |
6 | 20~300 | 2≤B≤M×5 B=0时,无外螺纹 |
0.5以下 | 2.5 | 3.5 |
| 8 | 20~400 | 3 | 4.5 | |||
| 10 | 20~500 | 4 | 6 | |||
| 12 | 20~600 | 5 | 7.5 | |||
| 16 | 20~800 | 6 | 9 | |||
| 20 | 20~1000 | 1.0以下 | 8 | 12 | ||
产品简介
1. 添加筛选条件,生成产品型号
客服
购物车
公众号
微信公众号
订单/资讯随手掌握
微信技术交流服务群
扫码添加进群
浏览记录
问题反馈
置顶
Copyright © 2010-2026 东莞怡合达自动化股份有限公司 版权所有 粤ICP备14032684号
营业执照: 91441900566614589Q