型号筛选
可选加工(可选)
未生成型号,还有 4 项未选择
重置
代码
无数据
参数选型
材质
无数据
表面处理
无数据
产品选型
代码
无数据
D
无数据
价格生成中...
图片仅供参考,请以已选的规格为准
固定环 开口型 紧凑型
条件筛选:
产品型号:
未税折扣单价: -- --
含税折扣单价: ----
含税总价 (税率13%): ¥--
预计发货天数:-- 天 (发货天数以下单次日起算,不含周日与法定假日)
购买数量():
起订量:0
, 加量幅度:0
登录后可查看价格、加入购物车、一键购买
立即登录
价格生成中...
登录后可查看价格、加入购物车、一键购买
立即登录
代码的技术资料信息曾有所变更,可前往 型号勘误表 查看变更记录
相似商品
同类人气商品
引导式选型
技术图档
全部型号
3D预览
技术图档
产品问答
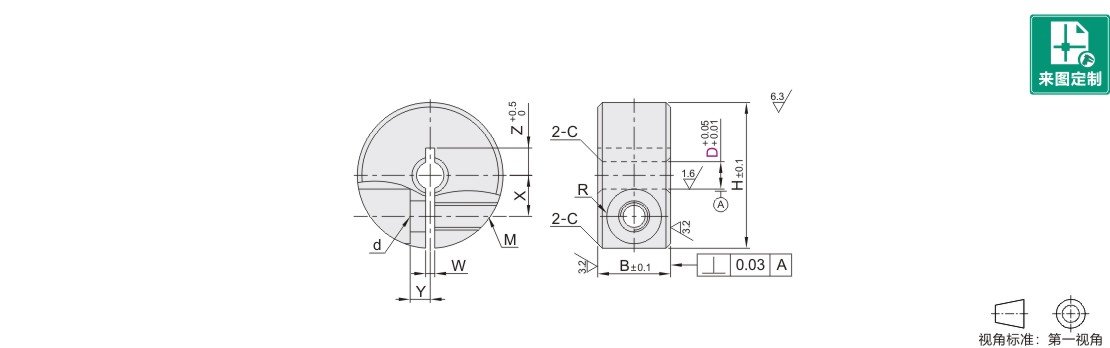
材质图
参数图
| 代码 | 类型 | 材质 | 表面处理 | 附件 | |
| 国标 | 相当 | ||||
| FAF01 | 紧凑型 | 45 | S45C | 发黑 | 1个内六角圆柱头螺钉 |
| FAF02 | 喷细砂无电解镀镍 | 1个内六角圆柱头螺钉 (不锈钢) |
|||
| FAF06 | 0Cr18Ni9 | SUS304 | — | ||
如对防锈有要求,请优先选用不锈钢材质或喷细砂无电解镀镍产品。
由于产品生产批次不同,发货喷细砂无电解镀镍产品可能存在不喷砂,不影响尺寸及功能。
由于生产工艺原因,不锈钢材质固定环本体螺纹孔尾部会有踩牙工艺孔,不影响尺寸及功能。

产品问答
关于此产品的常见问题
1、开口型固定环可以频繁拆卸么?
不锈钢类开口型固定由于材料特性,长时间锁紧后易发生形变,不适合频繁拆卸。
1. 添加筛选条件,生成产品型号
客服
购物车
公众号
微信公众号
订单/资讯随手掌握
微信技术交流服务群
扫码添加进群
浏览记录
问题反馈
置顶
Copyright © 2010-2026 东莞怡合达自动化股份有限公司 版权所有 粤ICP备14032684号
营业执照: 91441900566614589Q