图片仅供参考,请以已选的规格为准
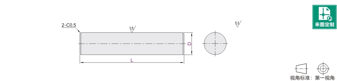
转轴 直杆型 标准型 轴端不加工 轴身不加工 g6/h7/h9
条件筛选:
产品型号:
未税折扣单价: -- --
含税折扣单价: ----
含税总价 (税率13%): ¥--
预计发货天数:-- 天 (发货天数以下单次日起算,不含周日与法定假日)
购买数量():
起订量:0
, 加量幅度:0
登录后可查看价格、加入购物车、一键购买
立即登录
价格生成中...
登录后可查看价格、加入购物车、一键购买
立即登录
代码的技术资料信息曾有所变更,可前往 型号勘误表 查看变更记录
相似商品
同类人气商品
引导式选型
型号筛选
可选加工(可选)
未生成型号,还有 7 项未选择
重置
代码
无数据
参数选型
D公差
无数据
材质
无数据
硬度
无数据
表面处理
无数据
产品选型
代码
无数据
D
无数据
L
价格生成中...
技术图档
全部型号
3D预览
技术图档
可选加工参数
产品简介
材质图
参数图
| 代码 | 类型 | D公差 | 材质 | 表面处理 | |
| 国标 | 相当 | ||||
| MAC01 | 标准型 | g6 | 45 | S45C | 发黑 |
| MAC02 | 无电解镀镍 | ||||
| MAC11 | 0Cr18Ni9 | SUS304 | — | ||
| MAC21 | 35CrMo | SCM435 硬度28~33HRC |
发黑 | ||
| MAC22 | 无电解镀镍 | ||||
| MAC31 | h7 | 45 | S45C | 发黑 | |
| MAC32 | 无电解镀镍 | ||||
| MAC41 | 0Cr18Ni9 | SUS304 | — | ||
| MAC51 | h9 | 45 | S45C | 发黑 | |
| MAC52 | 无电解镀镍 | ||||
| MAC61 | 0Cr18Ni9 | SUS304 | — | ||

圆度·直线度·垂直度·同轴度,请参阅转轴产品简介。
g6
| 型号 | 最小单位0.1 | ||
| 代码 | Dg6 | L | |
| MAC01 MAC02 MAC11 MAC21 MAC22 |
2 | -0.002 -0.008 |
12.0~50.0 |
| 2.5 | |||
| 3 | 12.0~150.0 | ||
| 4 | -0.004 -0.012 |
12.0~200.0 | |
| 5 | 12.0~250.0 | ||
| 6 | 18.0~300.0 | ||
| 8 | -0.005 -0.014 |
18.0~400.0 | |
| 10 | 18.0~500.0 | ||
| 12 | -0.006 -0.017 |
25.0~600.0 | |
| 13 | |||
| 15 | 25.0~700.0 | ||
| 16 | 25.0~800.0 | ||
| 17 | 35.0~800.0 | ||
| 18 | |||
| 20 | -0.007 -0.020 |
||
| 22 | |||
| 25 | 45.0~800.0 | ||
| 30 | 55.0~800.0 | ||
| 35 | -0.009 -0.025 |
65.0~800.0 | |
| 40 | 75.0~800.0 | ||
| 50 | 95.0~800.0 | ||
h7
| 代码 | Dh7 | L | |
| MAC31 MAC32 MAC41 |
6 | 0 -0.012 |
18.0~300.0 |
| 8 | 0 -0.015 |
18.0~400.0 | |
| 10 | 18.0~500.0 | ||
| 12 | 0 -0.018 |
25.0~600.0 | |
| 15 | 25.0~700.0 | ||
| 20 | 0 -0.021 |
35.0~800.0 | |
| 25 | 45.0~800.0 | ||
| 30 | 55.0~800.0 | ||
| 35 | 0 -0.025 |
65.0~800.0 | |
| 40 | 75.0~800.0 | ||
| 50 | 95.0~800.0 | ||
h9
| 型号 | 最小单位0.1 | ||
| 代码 | Dh9 | L | |
| MAC51 MAC52 MAC61 |
3 | 0 -0.025 |
12.0~150.0 |
| 4 | 0 -0.030 |
12.0~200.0 | |
| 5 | 12.0~250.0 | ||
| 6 | 18.0~300.0 | ||
| 8 | 0 -0.036 |
18.0~400.0 | |
| 10 | 18.0~500.0 | ||
| 12 | 0 -0.043 |
25.0~600.0 | |
| 15 | 25.0~700.0 | ||
| 20 | 0 -0.052 |
35.0~800.0 | |
| 25 | 45.0~800.0 | ||
| 30 | 55.0~800.0 | ||
| 35 | 0 -0.062 |
65.0~800.0 | |
| 40 | 75.0~800.0 | ||
| 50 | 95.0~800.0 | ||
可选加工参数

产品简介
1. 添加筛选条件,生成产品型号
客服
购物车
公众号
微信公众号
订单/资讯随手掌握
微信技术交流服务群
扫码添加进群
浏览记录
问题反馈
置顶
Copyright © 2010-2026 东莞怡合达自动化股份有限公司 版权所有 粤ICP备14032684号
营业执照: 91441900566614589Q