图片仅供参考,请以已选的规格为准
转轴 直杆型 带挡圈槽型 带键槽型 轴端不加工 g6/h7/h9
品牌名称:
怡合达
条件筛选:
产品型号:
未税折扣单价: -- --
含税折扣单价: ----
含税总价 (税率13%): ¥--
预计发货天数:-- 天 (发货天数以下单次日起算,不含周日与法定假日)
购买数量():
起订量:0
, 加量幅度:0
登录后可查看价格、加入购物车、一键购买
立即登录
价格生成中...
登录后可查看价格、加入购物车、一键购买
立即登录
代码的技术资料信息曾有所变更,可前往 型号勘误表 查看变更记录
相似商品
同类人气商品
引导式选型
型号筛选
可选加工(可选)
未生成型号,还有 20 项未选择
重置
代码
无数据
参数选型
D公差
无数据
材质
无数据
表面处理
无数据
附件
无数据
形状筛选
种类筛选
轴端形状(右)
轴端形状(左)
产品选型
代码
无数据
键槽数量
无数据
D
无数据
L
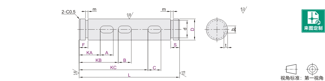
F
S
KA
A
KB
B
KC
C
价格生成中...
技术图档
全部型号
3D预览
技术图档
可选加工参数
产品简介
材质图
参数图
| 代码 | 类型 | D公差 | 材质 | 表面处理 | |||
| 带挡圈 | 不带挡圈 | 国标 | 相当 | ||||
| MAF01 | MAQ01 | 带挡圈槽型 | 键槽型 | g6 | 45 | S45C | 发黑 |
| MAF02 | MAQ02 | 无电解镀镍 | |||||
| MAF11 | MAQ11 | 0Cr18Ni9 | SUS304 | — | |||
| MAF31 | MAQ31 | h7 | 45 | S45C | 发黑 | ||
| MAF32 | MAQ32 | 无电解镀镍 | |||||
| MAF41 | MAQ41 | 0Cr18Ni9 | SUS304 | — | |||
| MAF61 | MAQ61 | h9 | 45 | S45C | 发黑 | ||
| MAF62 | MAQ62 | 无电解镀镍 | |||||

圆度、直线度、垂直度间轴度请参阅转轴产品简介。
键槽尺寸与挡圈槽m详细尺寸,请参阅转轴产品简介。
g6
| 型号 | L 最小单位0.1 |
F·S 最小单位1 |
键槽① KA·A |
键槽② KB·B |
键槽③ KC·C |
仅附件带挡圈 型号(2个) |
||
| 代码 | Dg6 | |||||||
| 最小单位1 | ||||||||
|
附件
|
6 | -0.004 -0.012 |
18.0~300.0 | 3≤F<L/2 3≤S<L/2 | KA≥F b≤A≤100 |
KB≥F b≤B≤100 |
KC≥KB+B b≤C≤100 |
TBP12-5 |
| 8 | -0.005 -0.014 |
18.0~400.0 | 4≤F<L/2 4≤S<L/2 |
TBP12-7 | ||||
| 10 | 20.0~500.0 | TBP02-10 | ||||||
| 12 | -0.006 -0.017 |
35.0~600.0 | 5≤F<L/2 5≤S<L/2 |
TBP02-12 | ||||
| 13 | TBP02-13 | |||||||
| 15 | 45.0~700.0 | TBP02-15 | ||||||
| 16 | 45.0~800.0 | TBP02-16 | ||||||
| 17 | 65.0~800.0 | TBP02-17 | ||||||
| 18 | TBP02-18 | |||||||
| 20 | -0.007 -0.020 |
TBP02-20 | ||||||
| 22 | TBP02-22 | |||||||
| 25 | 75.0~800.0 | 6≤F<L/2 6≤S<L/2 |
TBP02-25 | |||||
| 30 | TBP02-30 | |||||||
| 35 | -0.009 -0.025 |
TBP02-35 | ||||||
| 40 | TBP02-40 | |||||||
| 50 | 95.0~800.0 | TBP02-50 | ||||||
MAF11/MAQ11不可选择D13、16、18、22。
h7
| 型号 | L 最小单位0.1 |
F·S 最小单位1 |
键槽① KA·A |
键槽② KB·B |
键槽③ KC·C |
仅附件带挡圈 型号(2个) |
||
| 代码 | Dh7 | |||||||
| 最小单位1 | ||||||||
|
附件
|
6 | 0 -0.012 |
18.0~300.0 | 3≤F<L/2 3≤S<L/2 | KA≥F b≤A≤100 |
KB≥F b≤B≤100 |
KC≥KB+B b≤C≤100 |
TBP12-5 |
| 8 | 0 -0.015 |
18.0~400.0 | 4≤F<L/2 4≤S<L/2 |
TBP12-7 | ||||
| 10 | 20.0~500.0 | TBP02-10 | ||||||
| 12 | 0 -0.018 |
35.0~600.0 | 5≤F<L/2 5≤S<L/2 |
TBP02-12 | ||||
| 15 | 45.0~700.0 | TBP02-15 | ||||||
| 20 | 0 -0.021 |
55.0~800.0 | TBP02-20 | |||||
| 25 | 75.0~800.0 | 6≤F<L/2 6≤S<L/2 |
TBP02-25 | |||||
| 30 | TBP02-30 | |||||||
| 35 | 0 -0.025 |
TBP02-35 | ||||||
| 40 | TBP02-40 | |||||||
| 50 | 95.0~800.0 | TBP02-50 | ||||||
h9
| 型号 | L 最小单位0.1 |
F·S 最小单位1 |
键槽① KA·A |
键槽② KB·B |
键槽③ KC·C |
仅附件带挡圈 型号(2个) |
||
| 代码 | Dh9 | |||||||
| 最小单位1 | ||||||||
|
附件
|
6 | 0 -0.030 |
18.0~300.0 | 3≤F<L/2 3≤S<L/2 | KA≥F b≤A≤100 |
KB≥F b≤B≤100 |
KC≥KB+B b≤C≤100 |
TBP12-5 |
| 8 | 0 -0.036 |
18.0~400.0 | 4≤F<L/2 4≤S<L/2 |
TBP12-7 | ||||
| 10 | 20.0~500.0 | TBP02-10 | ||||||
| 12 | 0 -0.043 |
35.0~600.0 | 5≤F<L/2 5≤S<L/2 |
TBP02-12 | ||||
| 15 | 45.0~700.0 | TBP02-15 | ||||||
| 20 | 0 -0.043 |
55.0~800.0 | TBP02-20 | |||||
| 25 | 75.0~800.0 | 6≤F<L/2 6≤S<L/2 |
TBP02-25 | |||||
| 30 | TBP02-30 | |||||||
| 35 | 0 -0.062 |
TBP02-35 | ||||||
可选加工参数

产品简介
1. 添加筛选条件,生成产品型号
客服
购物车
公众号
微信公众号
订单/资讯随手掌握
微信技术交流服务群
扫码添加进群
浏览记录
问题反馈
置顶
Copyright © 2010-2026 东莞怡合达自动化股份有限公司 版权所有 粤ICP备14032684号
营业执照: 91441900566614589Q