图片仅供参考,请以已选的规格为准
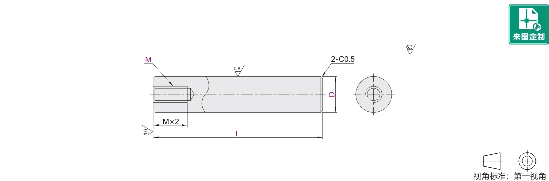
转轴 直杆型 一端内螺纹型 标准型 轴身不加工 g6/h7/h9
条件筛选:
产品型号:
登录后可查看价格、加入购物车、一键购买
立即登录
引导式选型
型号筛选
未生成型号,还有 8 项未选择
代码
参数选型
D公差
材质
硬度
表面处理
产品选型
D
L
M
技术图档
3D预览
可选加工参数
产品简介
材质图
参数图
| 代码 | 类型 | D公差 | 材质 | 表面处理 | ||
| 国标 | 相当 | |||||
| MAG01 | 一端 内螺纹型 |
标准型 | g6 | 45 | S45C | 发黑 |
| MAG02 | 无电解镀镍 | |||||
| MAG16 | 0Cr18Ni9 | SUS304 | — | |||
| MAG31 | 35CrMo | SCM435 硬度28~33HRC |
发黑 | |||
| MAG32 | 无电解镀镍 | |||||
| MAG41 | h7 | 45 | S45C | 发黑 | ||
| MAG42 | 无电解镀镍 | |||||
| MAG46 | 0Cr18Ni9 | SUS304 | — | |||
| MAG71 | h9 | 45 | S45C | 发黑 | ||
| MAG72 | 无电解镀镍 | |||||
| MAG76 | 0Cr18Ni9 | SUS304 | — | |||
| D | g6 | h7 | h9 | |||||||||||
| 4~6 | -0.004 -0.012 |
0 -0.012 |
0 -0.030 |
|||||||||||
| 8·10 | -0.005 -0.014 |
0 -0.015 |
0 -0.036 |
|||||||||||
| 12~18 | -0.006 -0.017 |
0 -0.018 |
0 -0.043 |
|||||||||||
| 20~30 | -0.007 -0.020 |
0 -0.021 |
0 -0.052 |
|||||||||||
| 35~50 | -0.009 -0.025 |
0 -0.025 |
0 -0.062 |
|||||||||||

圆度·直线度·垂直度·同轴度,请参阅转轴产品简介。
g6
| 型号 | 最小单位0.1 L |
M | |
| 代码 | Dg6 | ||
|
MAG01 MAG02 |
4 | 12.0~200.0 | 2 |
| 5 | 12.0~250.0 | 2.6 3 | |
| 6 | 18.0~300.0 | 4 | |
| 8 | 18.0~400.0 | 4 5 6 | |
| 10 | 18.0~500.0 | 4 5 6 | |
| 12 | 25.0~600.0 | 5 6 8 | |
| 13 | 5 6 8 | ||
| 15 | 25.0~700.0 | 5 6 8 10 | |
| 16 | 25.0~800.0 | 5 6 8 10 | |
| 17 | 35.0~800.0 | 5 6 8 10 12 | |
| 18 | 5 6 8 10 12 | ||
| 20 | 5 6 8 10 12 16 | ||
| 22 | 5 6 8 10 12 16 | ||
| 25 | 45.0~800.0 | 5 6 8 10 12 16 | |
| 30 | 55.0~800.0 | 8 10 12 16 20 | |
| 35 | 65.0~800.0 | 8 10 12 16 20 24 | |
| 40 | 75.0~800.0 | 12 16 20 24 30 | |
| 50 | 95.0~800.0 | 16 20 24 30 | |
h7
| 型号 | 最小单位0.1 L |
M | |
| 代码 | Dh7 | ||
|
MAG41 MAG42 |
4 | 12.0~200.0 | 2 |
| 5 | 12.0~250.0 | 2.6 3 | |
| 6 | 18.0~300.0 | 3 4 | |
| 8 | 18.0~400.0 | 3 4 5 6 | |
| 10 | 18.0~500.0 | 4 5 6 | |
| 12 | 25.0~600.0 | 5 6 8 | |
| 15 | 25.0~700.0 | 5 6 8 10 | |
| 20 | 35.0~800.0 | 5 6 8 10 12 16 | |
| 25 | 45.0~800.0 | 5 6 8 10 12 16 | |
| 30 | 55.0~800.0 | 8 10 12 16 20 | |
| 35 | 65.0~800.0 | 8 10 12 16 20 24 | |
| 40 | 75.0~800.0 | 16 20 24 30 | |
| 50 | 95.0~800.0 | 16 20 24 30 | |
h9
| 型号 | 最小单位0.1 L |
M | |
| 代码 | Dh9 | ||
|
MAG71 MAG72 |
4 | 12.0~200.0 | 2 |
| 5 | 12.0~250.0 | 2.6 3 | |
| 6 | 18.0~300.0 | 3 4 | |
| 8 | 18.0~400.0 | 3 4 5 6 | |
| 10 | 18.0~500.0 | 4 5 6 | |
| 12 | 25.0~600.0 | 5 6 8 | |
| 15 | 25.0~700.0 | 5 6 8 10 | |
| 20 | 35.0~800.0 | 5 6 8 10 12 16 | |
| 25 | 45.0~800.0 | 5 6 8 10 12 16 | |
| 30 | 55.0~800.0 | 8 10 12 16 20 | |
| 35 | 65.0~800.0 | 8 10 12 16 20 24 | |