图片仅供参考,请以已选的规格为准
转轴 直杆型 一端内螺纹型 带键槽型 g6/h7/h9
条件筛选:
产品型号:
登录后可查看价格、加入购物车、一键购买
立即登录
引导式选型
型号筛选
未生成型号,还有 14 项未选择
代码
参数选型
D公差
材质
表面处理
产品选型
键槽数量
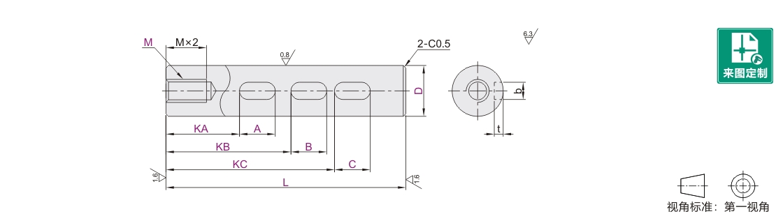
D
L
M
KA
A
KB
B
KC
C
技术图档
3D预览
可选加工参数
产品简介
材质图
参数图
| 代码 | 类型 | D公差 | 材质 | 表面处理 | ||
| 国标 | 相当 | |||||
| MAH01 | 一端内螺纹型 | 键槽型 | g6 | 45 | S45C | 发黑 |
| MAH02 | 无电解镀镍 | |||||
| MAH11 | 0Cr18Ni9 | SUS304 | — | |||
| MAH31 | h7 | 45 | S45C | 发黑 | ||
| MAH32 | 无电解镀镍 | |||||
| MAH41 | 0Cr18Ni9 | SUS304 | — | |||
| MAH61 | h9 | 45 | S45C | 发黑 | ||
| MAH62 | 无电解镀镍 | |||||

圆度、直线度、垂直度间轴度请参阅转轴产品简介。
键槽尺寸请参阅转轴产品简介。
g6
| 型号 | L 最小单位0.1 |
M 选择 |
键槽① KA·A |
键槽② KB·B |
键槽③ KC·C |
||
| 代码 | Dg6 | ||||||
| 最小单位1 | |||||||
|
MAH01 MAH02 |
6 | -0.004 -0.012 |
18.0~300.0 | 3 4 | KA≥0 b≤A≤120 |
KB≥KA+A b≤B≤120 |
KC≥KB+B b≤C≤120 |
| 8 | -0.005 -0.014 |
18.0~400.0 | 3 4 5 6 | ||||
| 10 | 18.0~500.0 | 4 5 6 | |||||
| 12 | -0.006 -0.017 |
25.0~600.0 | 5 6 8 | ||||
| 13 | 5 6 8 | ||||||
| 15 | 25.0~700.0 | 5 6 8 | |||||
| 16 | 25.0~800.0 | 5 6 8 10 | |||||
| 17 | 35.0~800.0 | 5 6 8 10 12 | |||||
| 18 | 5 6 8 10 12 | ||||||
| 20 | -0.007 -0.020 |
5 6 8 10 12 16 | |||||
| 22 | 5 6 8 10 12 16 | ||||||
| 25 | 45.0~800.0 | 5 6 8 10 12 16 | |||||
| 30 | 55.0~800.0 | 8 10 12 16 | |||||
| 35 | -0.009 -0.025 |
65.0~800.0 | 8 10 12 16 20 | ||||
| 40 | 75.0~800.0 | 12 16 20 24 | |||||
| 50 | 95.0~800.0 | 16 20 24 30 | |||||
h7
| 型号 | L 最小单位0.1 |
M 选择 |
键槽① KA·A |
键槽② KB·B |
键槽③ KC·C |
||
| 代码 | Dh7 | ||||||
| 最小单位1 | |||||||
|
MAH31 MAH32 |
6 | 0 -0.012 |
18.0~300.0 | 3 4 | KA≥0 b≤A≤120 |
KB≥KA+A b≤B≤120 |
KC≥KB+B b≤C≤120 |
| 8 | 0 -0.015 |
18.0~400.0 | 3 4 5 6 | ||||
| 10 | 18.0~500.0 | 4 5 6 | |||||
| 12 | 0 -0.018 |
25.0~600.0 | 5 6 8 | ||||
| 15 | 25.0~700.0 | 5 6 8 | |||||
| 20 | 0 -0.021 |
35.0~800.0 | 5 6 8 10 | ||||
| 25 | 45.0~800.0 | 5 6 8 10 12 | |||||
| 30 | 55.0~800.0 | 8 10 12 16 | |||||
| 35 | 0 -0.025 |
65.0~800.0 | 8 10 12 16 20 | ||||
| 40 | 75.0~800.0 | 12 16 20 24 | |||||
| 50 | 95.0~800.0 | 16 20 24 30 | |||||
h9
| 型号 | L 最小单位0.1 |
M 选择 |
键槽① KA·A |
键槽② KB·B |
键槽③ KC·C |
||
| 代码 | Dh9 | ||||||
| 最小单位1 | |||||||
|
MAH61 MAH62 |
6 | 0 -0.030 |
18.0~300.0 | 3 4 | KA≥0 b≤A≤120 |
KB≥KA+A b≤B≤120 |
KC≥KB+B b≤C≤120 |
| 8 | 0 -0.036 |
18.0~400.0 | 3 4 5 6 | ||||
| 10 | 18.0~500.0 | 4 5 6 | |||||
| 12 | 0 -0.043 |
25.0~600.0 | 5 6 8 | ||||
| 15 | 25.0~700.0 | 5 6 8 | |||||
| 20 | 0 -0.052 |
35.0~800.0 | 5 6 8 10 | ||||
| 25 | 45.0~800.0 | 5 6 8 10 12 | |||||
| 30 | 55.0~800.0 | 8 10 12 16 | |||||
| 35 | 0 -0.062 |
65.0~800.0 | 8 10 12 16 20 | ||||