图片仅供参考,请以已选的规格为准
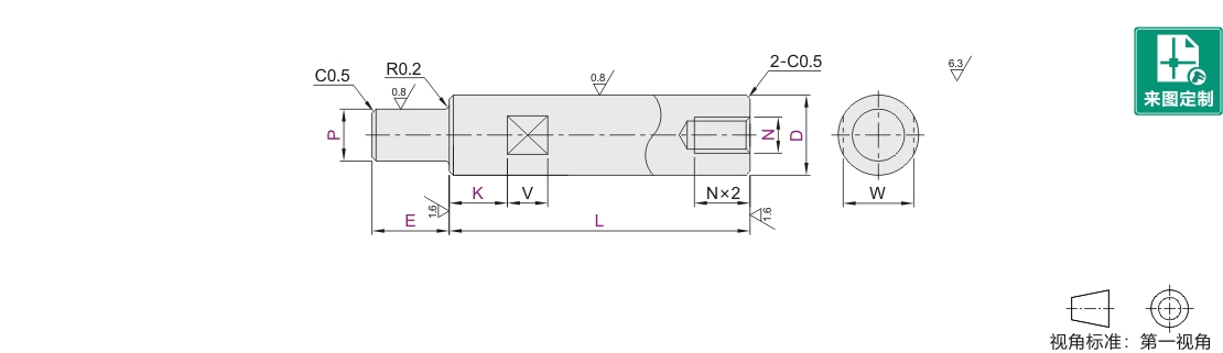
转轴 一端台阶型 一端内螺纹型 带扳手槽型 g6/h7/h9 S45C材质
条件筛选:
产品型号:
登录后可查看价格、加入购物车、一键购买
立即登录
引导式选型
型号筛选
未生成型号,还有 10 项未选择
代码
参数选型
D公差
P公差
表面处理
产品选型
D
L
E
P
N
K
技术图档
3D预览
可选加工参数
产品简介
材质图
参数图
| 代码 | 类型 | 公差 | 材质 | 表面处理 | |||
| D | P | 国标 | 相当 | ||||
| MBD11 | 一端 内螺纹型 |
带扳手槽型 | g6 | g6 | 45 | S45C | 发黑 |
| MBD12 | 无电解镀镍 | ||||||
| MBD51 | h7 | h7 | 发黑 | ||||
| MBD71 | h9 | g6 | |||||
| MBD91 | h7 | ||||||
| D·P | g6 | h7 | h9 |
| 2~3 | -0.002 -0.008 |
0 -0.010 |
0 -0.025 |
| 3.1~6 | -0.004 -0.012 |
0 -0.012 |
0 -0.030 |
| 6.1~10 | -0.005 -0.014 |
0 -0.015 |
0 -0.036 |
| 10.1~18 | -0.006 -0.017 |
0 -0.018 |
0 -0.043 |
| 18.1~30 | -0.007 -0.020 |
0 -0.021 |
0 -0.052 |
| 30.1~50 | -0.009 -0.025 |
0 -0.025 |
0 -0.062 |

圆度·直线度·垂直度·同轴度,请参阅转轴产品简介。
g6
| 型号 | 最小单位0.1 | 最小单位1 | N | 带扳手槽型 | W | V | ||
| 代码 | Dg6 | L | E | P | K(最小单位1) | |||
| MBD11 MBD12 |
6 | 18.0~300.0 | 1≤E≤P×6 | 2≤P<D | 3 4 | K=0或 K≥1 |
5 | 10 |
| 8 | 18.0~400.0 | 3 4 5 6 | 7 | |||||
| 10 | 18.0~500.0 | 4 5 6 8 | 8 | |||||
| 12 | 25.0~600.0 | 4≤P<D | 5 6 8 | 10 | 12 | |||
| 13 | 5 6 8 | 11 | ||||||
| 15 | 25.0~700.0 | 5 6 8 10 | 13 | |||||
| 16 | 35.0~800.0 | 5 6 8 10 12 | 14 | |||||
| 17 | 5 6 8 10 12 | |||||||
| 18 | 5 6 8 10 12 16 | 15 | ||||||
| 20 | 5 6 8 10 12 16 | 17 | ||||||
| 22 | 8≤P<D | 5 6 8 10 12 16 | 19 | |||||
| 25 | 45.0~800.0 | 5 6 8 10 12 16 | 22 | |||||
| 30 | 55.0~800.0 | 8 10 12 16 20 | 27 | 16 | ||||
| 35 | 65.0~800.0 | 15≤P<D | 8 10 12 16 20 24 | 30 | ||||
| 40 | 75.0~800.0 | 12 16 20 24 30 | 36 | 20 | ||||
| 50 | 95.0~800.0 | 16 20 24 30 | 41 | |||||
h7
| 型号 | 最小单位0.1 | 最小单位1 | N | 带扳手槽型 | W | V | ||
| 代码 | Dh7 | L | E | P | K(最小单位1) | |||
| MBD51 | 6 | 18.0~300.0 | 1≤E≤P×6 | 2≤P<D | 3 4 | K=0或 K≥1 |
5 | 10 |
| 8 | 18.0~400.0 | 3 4 5 6 | 7 | |||||
| 10 | 18.0~500.0 | 4 5 6 | 8 | |||||
| 12 | 25.0~600.0 | 4≤P<D | 5 6 8 | 10 | 12 | |||
| 15 | 25.0~700.0 | 5 6 8 10 | 13 | |||||
| 20 | 35.0~800.0 | 5 6 8 10 12 16 | 17 | |||||
| 25 | 45.0~800.0 | 8≤P<D | 5 6 8 10 12 16 | 22 | ||||
| 30 | 55.0~800.0 | 8 10 12 16 20 | 27 | 16 | ||||
| 35 | 65.0~800.0 | 15≤P<D | 8 10 12 16 20 24 | 30 | ||||
| 40 | 75.0~800.0 | 12 16 20 24 30 | 36 | 20 | ||||
| 50 | 95.0~800.0 | 16 20 24 30 | 41 | |||||
h9
| 型号 | 最小单位0.1 | 最小单位1 | N | 带扳手槽型 | W | V | ||
| 代码 | Dh9 | L | E | P | K(最小单位1) | |||
| MBD71 MBD91 |
6 | 18.0~300.0 | 1≤E≤P×6 | 2≤P<D | 3 4 | K=0或 K≥1 |
5 | 10 |
| 8 | 18.0~400.0 | 3 4 5 6 | 7 | |||||
| 10 | 18.0~500.0 | 4 5 6 | 8 | |||||
| 12 | 25.0~600.0 | 4≤P<D | 5 6 8 | 10 | 12 | |||
| 15 | 25.0~700.0 | 5 6 8 10 | 13 | |||||
| 20 | 35.0~800.0 | 5 6 8 10 12 16 | 17 | |||||
| 25 | 45.0~800.0 | 8≤P<D | 5 6 8 10 12 16 | 22 | ||||
| 30 | 55.0~800.0 | 8 10 12 16 20 | 27 | 16 | ||||
| 35 | 65.0~800.0 | 15≤P<D | 8 10 12 16 20 24 | 30 | ||||