图片仅供参考,请以已选的规格为准
悬臂销 外螺纹安装型 带挡圈槽型 台阶型 螺纹长度固定型
条件筛选:
产品型号:
未税折扣单价: -- --
含税折扣单价: ----
含税总价 (税率13%): ¥--
预计发货天数:-- 天 (发货天数以下单次日起算,不含周日与法定假日)
购买数量():
起订量:0
, 加量幅度:0
登录后可查看价格、加入购物车、一键购买
立即登录
价格生成中...
登录后可查看价格、加入购物车、一键购买
立即登录
代码的技术资料信息曾有所变更,可前往 型号勘误表 查看变更记录
相似商品
同类人气商品
型号筛选
可选加工(可选)
未生成型号,还有 6 项未选择
重置
代码
无数据
参数选型
材质
无数据
表面处理
无数据
产品选型
代码
无数据
规格
无数据
Y
F
价格生成中...
技术图档
全部型号
3D预览
技术图档
可选加工参数
产品简介
产品问答
材质图
参数图
| 代码 | 类型 | 材质 | 表面处理 | |||
| 国标 | 相当 | |||||
| MDE01 | 带挡圈槽型 | 台阶型 | 45 | S45C | 发黑 | |
| MDE02 | 无电解镀镍 | |||||
| MDE06 | 0Cr18Ni9 | SUS304 | — | |||
| MDE08 | 35CrMo | 相当于SCM435 硬度35~40HRC |
无电解镀镍 | |||
| MDE09 | 发黑 | |||||
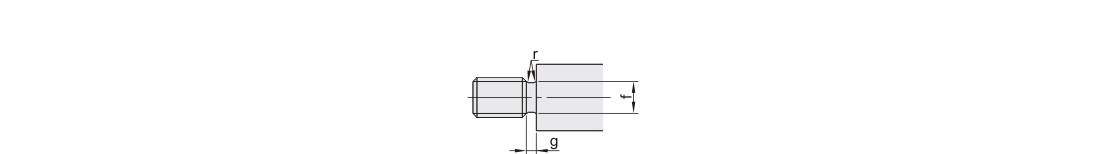
外螺纹退刀槽尺寸见表1。
工艺孔加工条件:总长度除以D段长度>3且D.M≥4;4<D<11且总长度≥70;11<D<18且总长度≥90;D>18且总长度≥110。(工艺孔详细尺寸见产品简介)

选型表

表1:外螺纹退刀槽加工尺寸
| 螺纹直径 (M) |
g | r | f |
| 3 | 1.2~1.5 | 0.2~0.3 | 2.1~2.4 |
| 4 | 2.9~3.2 | ||
| 5 | 3.9~4.1 | ||
| 6 | 1.5~2.5 | 0.2~0.6 | 4.3~4.9 |
| 8 | 6.3~6.6 | ||
| 10 | 8.1~8.3 | ||
| 12 | 1.5~3.0 | 0.2~1.0 | 9.8~10.1 |
| 16 | 13.6~13.8 | ||
| 20 | 1.5~4.0 | 17.0~17.2 |
可选加工参数

产品简介
产品问答
关于此产品的常见问题
1、是否带有附件一起发货?
根据产品目录信息说明,如果注明有附件的产品就会随着产品一起发货,没有注明则需另行购买。
2、如何才能避免生锈?
如对防锈有要求,请优先选择SUS304材质,其次选择表面经过镀铬、无电解镀镍和发黑的产品,未进行表面处理的产品,需定期涂抹防锈油进行维护,以此延长防锈时间。
3、悬臂销的使用寿命多久?
悬臂销的使用寿命受到多种因素的影响,包括材料、应用环境、载荷条件、使用频率以及维护保养等,
应选择具有良好的抗弯曲和抗磨损能力的材质,再经过热处理和表面处理来提升其工艺性能,提高耐磨性和抗腐蚀性,延长使用寿命。
4、悬臂销有哪些类型?
悬臂销的类型有外螺纹安装型、内螺纹安装型、引导式外螺纹安装型、法兰型、重载型和张紧轮用等等,根据使用需求选择合适的类型,如没有也可以根据图纸定制。
1. 添加筛选条件,生成产品型号
客服
购物车
公众号
微信公众号
订单/资讯随手掌握
微信技术交流服务群
扫码添加进群
浏览记录
问题反馈
置顶
Copyright © 2010-2026 东莞怡合达自动化股份有限公司 版权所有 粤ICP备14032684号
营业执照: 91441900566614589Q