型号筛选
可选加工(可选)
未生成型号,还有 6 项未选择
重置
代码
无数据
参数选型
材质
无数据
螺纹种类
无数据
表面处理
无数据
产品选型
代码
无数据
M
无数据
L
无数据
价格生成中...
图片仅供参考,请以已选的规格为准
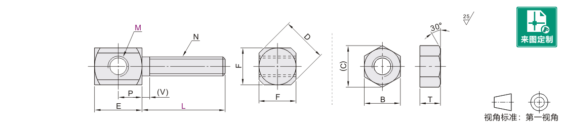
调整螺钉支架 螺栓型 粗牙 细牙
条件筛选:
产品型号:
未税折扣单价: -- --
含税折扣单价: ----
含税总价 (税率13%): ¥--
预计发货天数:-- 天 (发货天数以下单次日起算,不含周日与法定假日)
购买数量():
起订量:0
, 加量幅度:0
登录后可查看价格、加入购物车、一键购买
立即登录
价格生成中...
登录后可查看价格、加入购物车、一键购买
立即登录
代码的技术资料信息曾有所变更,可前往 型号勘误表 查看变更记录
相似商品
同类人气商品
技术图档
全部型号
3D预览
技术图档
材质图
参数图
| 代码 |
类型 |
螺纹 |
材质 |
表面处理 |
附件 | ||
| 国标 | 相当 | 材质 | 表面处理 | ||||
| PAU51 | 螺栓型 | 粗牙 | Q235 | SS400 | 发黑 | SS400 | 铬酸盐光泽处理 |
| PAU52 | 无电解镀镍 | ||||||
| PAU61 | Y1Cr18Ni9 | SUS303 | — | SUS304相当 | — | ||
| PAU71 | 细牙 | Q235 | SS400 | 发黑 | SS400 | 铬酸盐光泽处理 | |
如对防锈有要求,请优先选用不锈钢材质或无电解镀镍产品。
由于产品批次不同,发货镀镍产品可能存在喷砂,不影响尺寸及功能。
选型表
1. 添加筛选条件,生成产品型号
客服
购物车
公众号
微信公众号
订单/资讯随手掌握
微信技术交流服务群
扫码添加进群
浏览记录
问题反馈
置顶
Copyright © 2010-2026 东莞怡合达自动化股份有限公司 版权所有 粤ICP备14032684号
营业执照: 91441900566614589Q