型号筛选
可选加工(可选)
未生成型号,还有 6 项未选择
重置
代码
无数据
参数选型
宽×高
无数据
产品选型
代码
无数据
侧面孔数
无数据
Q
无数据
G
无数据
K
无数据
价格生成中...
图片仅供参考,请以已选的规格为准
气压用连接块 I形 端面贯穿 间距固定型 孔距固定型 螺径可变 A5052材质 本色阳极氧化
条件筛选:
产品型号:
未税折扣单价: -- --
含税折扣单价: ----
含税总价 (税率13%): ¥--
预计发货天数:-- 天 (发货天数以下单次日起算,不含周日与法定假日)
购买数量():
起订量:0
, 加量幅度:0
登录后可查看价格、加入购物车、一键购买
立即登录
价格生成中...
登录后可查看价格、加入购物车、一键购买
立即登录
代码的技术资料信息曾有所变更,可前往 型号勘误表 查看变更记录
相似商品
同类人气商品
技术图档
全部型号
3D预览
技术图档
产品简介
材质图
参数图
| 代码 | 类型 |
边长 |
材质 |
表面处理 |
常压 |
||
| 国标 | 相当 | ||||||
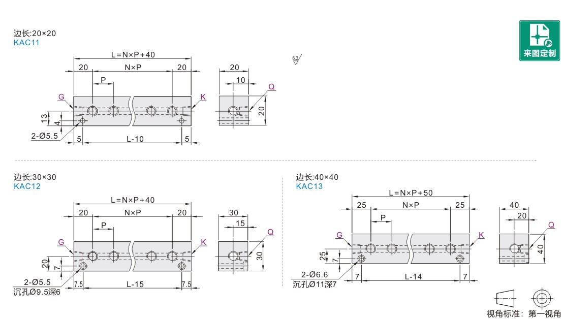
| KAC11 | I形端面贯穿 | 间距固定型 | 20×20 | LF2 | A5052 | 本色阳极氧化 | 1MPa(≈10.2Kgf/cm2)以下 |
| KAC12 | 30×30 | ||||||
| KAC13 | 40×40 | ||||||

边长20×20
| 型号 | Rc(PT)/M选择 | 间距P | N | 螺纹数 | |||||||||||||||||||||||||||||||
| 代码 | 侧面孔数 | Q·G·K | |||||||||||||||||||||||||||||||||
| KAC11 | 1K | 1 (1/ 8) 3M (M3) 4M (M4) 5 (M5) |
15 | 0 | 3 | ||||||||||||||||||||||||||||||
| 2K | 1 | 4 | |||||||||||||||||||||||||||||||||
| 3K | 2 | 5 | |||||||||||||||||||||||||||||||||
| 4K | 3 | 6 | |||||||||||||||||||||||||||||||||
| 5K | 4 | 7 | |||||||||||||||||||||||||||||||||
| 6K | 5 | 8 | |||||||||||||||||||||||||||||||||
侧面孔数为“6K”时,L/2位置增加一个适用M5螺钉的安装孔。
边长25×25
| 型号 | Rc(PT)/M/ NPT选择 | 间距P | N | 螺纹数 | ||||||||||||||||||||||||||||||||||||
| 代码 | 侧面孔数 | Q·G·K | ||||||||||||||||||||||||||||||||||||||
| KAC12 | 1K | 1 (1/8) 2 (1/4) 5 (M5) 1N (NPT1/8) 2N (NPT1/4) |
30 | 0 | 3 | |||||||||||||||||||||||||||||||||||
| 2K | 1 | 4 | ||||||||||||||||||||||||||||||||||||||
| 3K | 2 | 5 | ||||||||||||||||||||||||||||||||||||||
| 4K | 3 | 6 | ||||||||||||||||||||||||||||||||||||||
| 5K | 4 | 7 | ||||||||||||||||||||||||||||||||||||||
| 6K | 5 | 8 | ||||||||||||||||||||||||||||||||||||||
侧面孔数为“6K”时,L/2位置增加一个适用M5螺钉的安装孔。
边长40×40
| 型号 | Rc(PT)选择 | 间距P | N | 螺纹数 | ||||||||||||||||||||||||||||||||||||
| 代码 | 侧面孔数 | Q | G·K | |||||||||||||||||||||||||||||||||||||
| KAC13 | 1K | 1 (1/8) 2 (1/4) 3 (3/8) 4 (1/2) |
2 (1/4) 3 (3/8) 4 (1/2) |
40 | 0 | 3 | ||||||||||||||||||||||||||||||||||
| 2K | 1 | 4 | ||||||||||||||||||||||||||||||||||||||
| 3K | 2 | 5 | ||||||||||||||||||||||||||||||||||||||
| 4K | 3 | 6 | ||||||||||||||||||||||||||||||||||||||
| 5K | 4 | 7 | ||||||||||||||||||||||||||||||||||||||
| 6K | 5 | 8 | ||||||||||||||||||||||||||||||||||||||
侧面孔数为“6K”时,L/2位置增加一个适用M6螺钉的安装孔。
产品简介
1. 添加筛选条件,生成产品型号
客服
购物车
公众号
微信公众号
订单/资讯随手掌握
微信技术交流服务群
扫码添加进群
浏览记录
问题反馈
置顶
Copyright © 2010-2026 东莞怡合达自动化股份有限公司 版权所有 粤ICP备14032684号
营业执照: 91441900566614589Q