型号筛选
未生成型号,还有 7 项未选择
代码
参数选型
主体材质
品名
材质
种类
产品选型
公称直径M(mm)
长度L(mm)
图片仅供参考,请以已选的规格为准
内六角圆柱头螺钉 树脂型 全牙 粗牙
品牌名称:
怡合达
条件筛选:
产品型号:
登录后可查看价格、加入购物车、一键购买
立即登录
技术图档
全部型号
3D预览
产品问答
材质图
参数图
| 代码 | 类型 |
材质 | 销售方式 | |
| TAB01 | 树脂型 |
全牙 |
PEEK(聚醚醚酮) | 单个 |
| TAB02 | PPS(聚苯硫醚) | |||
| TAB03 | 玻璃纤维强化聚酰胺MXD6 | |||
| TAB07 | PVDF(聚偏氟乙烯) | |||
| TAB08 | PTFE(聚四氟乙烯) | |||
| PACK-TAB04 | PA66(尼龙66) | 袋装 (100PCS/袋) |
||
| PACK-TAB05 | PP(聚丙烯) | |||
| PACK-TAB06 | PVC(聚氯乙烯) | |||
| PACK-TAB09 | PC(聚碳酸酯) | |||
本产品适用标准:DIN 912-1983
GB/T 70.1-2000
不同批次生产的产品可能会出现颜色差异。

销售方式:单个
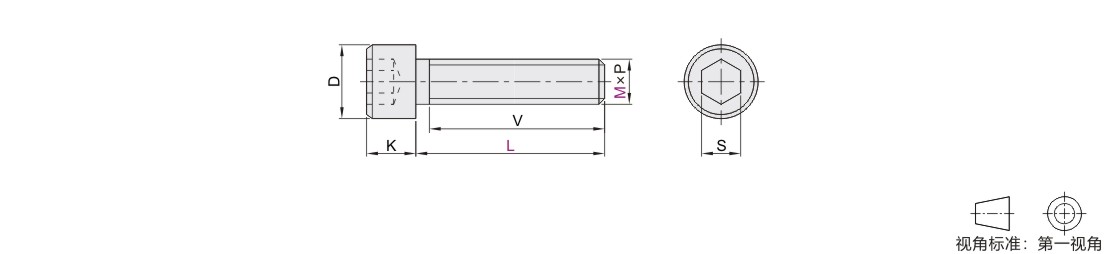
| 型号 |
L |
V |
P 螺距 |
D | K | S | |
| 代码 | M | ||||||
|
(PEEK) |
3 | 6 8 10 16 20 25 | 全牙 | 0.5 | 5.5 | 3 | 2.5 |
| 4 | 6 8 10 16 20 25 30 35 | 0.7 | 7 | 4 | 3 | ||
| 5 | 6 8 10 16 20 25 30 35 40 45 50 | 0.8 | 8.5 | 5 | 4 | ||
| 6 | 6 8 10 16 20 25 30 35 40 45 50 | 1 | 10 | 6 | 5 | ||
| 8 | 16 20 25 30 35 40 45 50 | 1.25 | 13 | 8 | 6 | ||
| 10 | 20 25 30 35 40 45 50 | 1.5 | 16 | 10 | 8 | ||
|
(PPS) |
3 | 6 8 10 12 16 20 25 | 全牙 | 0.5 | 5.5 | 3 | 2.5 |
| 4 | 6 8 10 12 16 20 25 30 | 0.7 | 7 | 4 | 3 | ||
| 5 | 6 8 10 12 16 20 25 30 | 0.8 | 8.5 | 5 | 4 | ||
| 6 | 6 8 10 12 16 20 25 30 35 40 45 50 | 1 | 10 | 6 | 5 | ||
| 8 | 16 20 25 30 35 40 45 50 | 1.25 | 13 | 8 | 6 | ||
|
(PVDF) |
3 | 6 12 16 20 | 全牙 | 0.5 | 5.5 | 3 | 2.5 |
| 4 | 12 16 20 25 30 | 0.7 | 7 | 4 | 3 | ||
| 5 | 10 12 16 20 25 30 | 0.8 | 8.5 | 5 | 4 | ||
| 6 | 8 10 12 16 20 25 30 35 40 45 | 1 | 10 | 6 | 5 | ||
| 8 | 10 12 16 20 25 30 35 40 45 50 60 | 1.25 | 13 | 8 | 6 | ||
| 10 | 20 25 30 35 40 45 50 60 | 1.5 | 16 | 10 | 8 | ||
|
(PTFE) |
4 | 12 16 20 25 30 | 全牙 | 0.7 | 7 | 4 | 3 |
| 5 | 12 16 20 25 30 35 40 | 0.8 | 8.5 | 5 | 4 | ||
| 6 | 12 16 20 25 30 35 40 45 50 | 1 | 10 | 6 | 5 | ||
| 8 | 12 16 20 25 30 35 40 45 50 55 60 65 70 75 80 85 90 | 1.25 | 13 | 8 | 6 | ||
| 10 | 12 16 20 25 30 35 40 45 50 55 60 65 70 75 80 85 90 95 100 | 1.5 | 16 | 10 | 8 | ||
| 12 | 12 16 20 25 30 35 40 45 50 55 60 65 70 75 80 85 90 95 100 105 110 120 150 | 1.75 | 18 | 12 | 10 | ||
销售方式:袋装
| 型号 |
L |
V |
P 螺距 |
D | K | S | |
| 代码 | M | ||||||
|
(PA66) |
3 | 4 5 6 8 10 12 16 20 25 | 全牙 | 0.5 | 5.5 | 3 | 2.5 |
| 4 | 6 8 10 12 16 20 25 30 | 0.7 | 7 | 4 | 3 | ||
| 5 | 6 8 10 12 16 20 25 30 35 | 0.8 | 8.5 | 5 | 4 | ||
| 6 | 6 8 10 12 16 20 25 30 35 40 45 50 | 1 | 10 | 6 | 5 | ||
| 8 | 10 12 16 20 25 30 35 40 45 50 60 | 1.25 | 13 | 8 | 6 | ||
| 10 | 8 10 20 25 30 35 40 45 50 55 60 | 1.5 | 16 | 10 | 8 | ||
|
(PVC) |
3 | 6 12 16 20 | 全牙 | 0.5 | 5.5 | 3 | 2.5 |
| 4 | 12 16 20 25 30 | 0.7 | 7 | 4 | 3 | ||
| 5 | 10 12 16 20 25 30 | 0.8 | 8.5 | 5 | 4 | ||
| 6 | 8 10 12 16 20 25 30 35 40 45 | 1 | 10 | 6 | 5 | ||
| 8 | 10 12 16 20 25 30 35 40 45 50 60 | 1.25 | 13 | 8 | 6 | ||
| 10 | 20 25 30 35 40 45 50 60 | 1.5 | 16 | 10 | 8 | ||
|
(PC) |
3 | 4 5 6 8 10 12 16 20 25 | 全牙 | 0.5 | 5.5 | 3 | 2.5 |
| 4 | 6 8 10 12 16 20 25 30 | 0.7 | 7 | 4 | 3 | ||
| 5 | 6 8 10 12 16 20 25 30 35 | 0.8 | 8.5 | 5 | 4 | ||
| 6 | 8 10 12 16 20 25 30 35 40 45 50 | 1 | 10 | 6 | 5 | ||
| 8 | 10 12 16 20 25 30 35 40 45 50 60 | 1.25 | 13 | 8 | 6 | ||
| 10 | 12 16 20 25 30 35 40 45 50 55 60 | 1.5 | 16 | 10 | 8 | ||