型号筛选
可选加工(可选)
未生成型号,还有 5 项未选择
重置
代码
无数据
参数选型
挡块材质
无数据
挡块颜色
无数据
产品选型
代码
无数据
公称直径M(mm)
无数据
长度L(mm)
无数据
价格生成中...
图片仅供参考,请以已选的规格为准
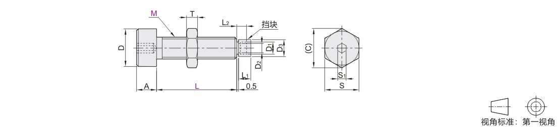
内六角圆柱头尾部带挡块螺钉 调节型平头圆柱挡块 全牙 粗牙
条件筛选:
产品型号:
未税折扣单价: -- --
含税折扣单价: ----
含税总价 (税率13%): ¥--
预计发货天数:-- 天 (发货天数以下单次日起算,不含周日与法定假日)
购买数量():
起订量:0
, 加量幅度:0
登录后可查看价格、加入购物车、一键购买
立即登录
价格生成中...
登录后可查看价格、加入购物车、一键购买
立即登录
代码的技术资料信息曾有所变更,可前往 型号勘误表 查看变更记录
相似商品
同类人气商品
技术图档
全部型号
3D预览
技术图档
产品问答
材质图
参数图
| 代码 |
类型 |
螺纹 |
主体 | 挡块 |
附件(1个六角螺帽) |
||||||
| 材质 | 表面处理 | 材质 | 硬度 | 颜色 | 材质 | 表面处理 | 数量 | ||||
| TDB21 | 调节型 | 平头 圆柱挡块 | 粗牙 | SUS304 | — | 聚氨酯 | 肖氏A90 | 黑色 | SUS304 | — | 1PCS |
| TDB22 | 聚缩醛 | — | 白色 | ||||||||

螺母T厚度标准 :依据DIN 934。
选型表
产品问答
关于此产品的常见问题
1、带挡块螺钉的功能有哪些?
有缓和降低噪音的功能,有吸收冲击力和缓冲功能
2、使用频率较高的聚氨酯材质有哪些注意点?
聚氨酯具有水解特性,在潮湿和有水分较多环境下会水解,水解后:表面成黏糊状;手指甲轻按会产生不可逆损伤,会干裂,轻易解体成粉末状
3、挡块螺钉通常与什么零件搭配使用呢?
通常与缓冲器搭配使用,常用于线性滑台和气缸搭配使用
4、烧结型挡块螺钉常见表面有轻微毛刺或者水口影响使用吗?
不影响的,产生原因在于注塑工艺导致,不影响使用
1. 添加筛选条件,生成产品型号
客服
购物车
公众号
微信公众号
订单/资讯随手掌握
微信技术交流服务群
扫码添加进群
浏览记录
问题反馈
置顶
Copyright © 2010-2026 东莞怡合达自动化股份有限公司 版权所有 粤ICP备14032684号
营业执照: 91441900566614589Q