型号筛选
可选加工(可选)
未生成型号,还有 3 项未选择
重置
代码
无数据
产品选型
代码
无数据
缸径
无数据
行程
无数据
磁性开关数量
无数据
价格生成中...
图片仅供参考,请以已选的规格为准
双联气缸 缸径10~32 标准型 全系列内置磁石 双作用
条件筛选:
产品型号:
未税折扣单价: -- --
含税折扣单价: ----
含税总价 (税率13%): ¥--
预计发货天数:-- 天 (发货天数以下单次日起算,不含周日与法定假日)
购买数量(PCS):
起订量:1PCS
, 加量幅度:1PCS
登录后可查看价格、加入购物车、一键购买
立即登录
价格生成中...
登录后可查看价格、加入购物车、一键购买
立即登录
代码WGN71的技术资料信息曾有所变更,可前往 型号勘误表 查看变更记录
相似商品
同类人气商品
计算选型
技术图档
全部型号
3D预览
技术图档
产品简介
产品问答
材质图
参数图
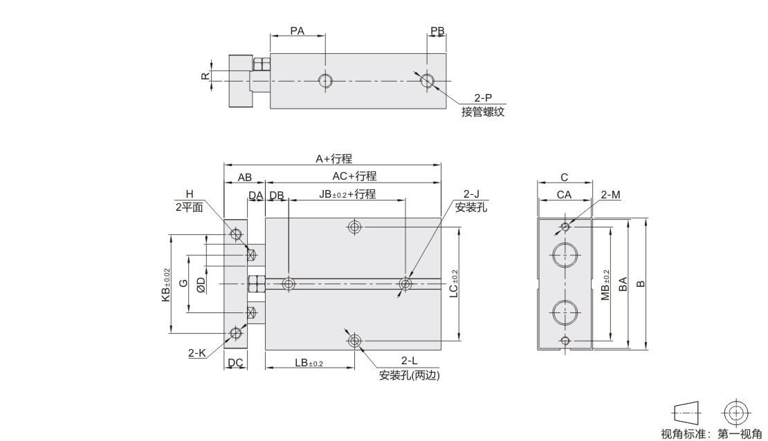
| 代码 | 类型 | 动作形式 |
| WGN71 | 双联气缸 | 双作用 |
特点
● 埋入式本体安装固定形式,节省安装空间;
● 具有一定的抗弯曲及抗扭转性能,能承受一定的侧向负载;
● 固定板三面均有安装孔,便于多位置加载;
● 本体前端防撞垫可调整气缸行程,并缓解冲击;
● 此系列气缸全部内置磁石。

选型表
| 缸径 | A | AB | AC | B | BA | C | CA | D | DA | DB | DC | G | H | J | JB | K | KB | P | PA | PB | L | LC | M | MB | R | ||
| 10 | 58 | 12 | 46 | 42 | 41 | 17 | 16 | 6 | 7 | 15 | 5 | 18 | 5 | Ø6深6.5通孔Ø3.5 | 10 | M3 | 26 | M5 | 20 | 8.5 | Ø6深3.5通孔Ø3.5 | 34 | M3 | 34 | 2.5 | ||
| 16 | 68 | 15 | 53 | 54 | 53 | 21 | 20 | 8 | 8 | 24 | 6 | Ø7.5深7.5通孔Ø4.5 | 20 | M4深5 | 34 | 22 | 11 | Ø8深4.5通孔Ø4.5 | 47 | M4 | 47 | 3 | |||||
| 20 | 78 | 20 | 58 | 62 | 61 | 25 | 24 | 10 | 10 | 10 | 28 | 8 | 44 | 25 | 12 | 55 | 55 | 3.5 | |||||||||
| 25 | 81 | 19 | 62 | 73 | 72 | 30 | 29 | 12 | 9 | 34 | 10 | 30 | M4深6 | 56 | 27 | 66 | 66 | 6 | |||||||||
| 32 | 108 | 30 | 78 | 96 | 94 | 40 | 38 | 16 | 13 | 17 | 17 | 42 | 14 | Ø9深13.5通孔Ø5.5 | 35 | M8深10 | 72 | Rc1/8 | 40(35) | 14 | Ø9深5.5通孔Ø5.5 | 83 | M6 | 83 | 10 | ||
PA()内数值是缸径32,行程10的值。
| 缸径 |
行程 |
LB |
|||||||||||||
| 10 | 20 | 30 | 40 | 50 | 60 | 70 | 80 | 90 | 100 | 125 | 150 | 175 | 200 | ||
| 10 | 30 | 30 | 35 | 40 | 45 | 50 | 55 | 60 | 65 | 70 | — | ||||
| 16 | 30 | 35 | 40 | 45 | 50 | 55 | 60 | 65 | 70 | 75 | 87.5 | 100 | 112.5 | 125 | |
| 20 | 35 | ||||||||||||||
| 25 | 40 | 40 | 45 | 50 | 55 | 60 | 65 | 70 | 75 | 80 | 92.5 | 105 | 117.5 | 130 | |
| 32 | 45 | 50 | 55 | 60 | 65 | 70 | 75 | 80 | 85 | 90 | 102.5 | 115 | 127.5 | 140 | |
| 型号 | 行程 | 磁性开关 数量 |
缓冲形式 | 行程公差 | 接管螺纹 | 调整行程 | 不回转精度※ | 使用流体 | 使用压力范围 (MPa) |
保证耐压力 (MPa) |
工作温度 (℃) |
使用速度范围 (mm/s) |
|
| 代码 | 缸径 | ||||||||||||
| WGN71 | 10 |
10 20 30 100 120* 150* 175* 200* |
0 2 |
防撞垫 | +1.0 0 |
M5 | -10~0 | ±0.4° | 空气 (经40μm以上 滤网过滤) |
0.1~1.0 | 1.5 | 0~60 | 30~500 |
| 16 | ±0.3° | ||||||||||||
| 20 | |||||||||||||
| 25 | |||||||||||||
| 32 | Rc1/8 | ||||||||||||
*行程125~200仅有缸径16~32。 ※ 不回转精度为气缸完全收回状态时,气缸固定板可回转的角度。
配套磁性开关WHS43-L2-2。
产品简介
产品问答
关于此产品的常见问题
1、气缸是否附磁性开关,是否为NPN,PNP磁性开关?
气缸选型尾部-0,表示单独气缸,-2表示附2条磁性开关;-2表示我司标配的磁开为电子式,两线制,2米线长磁开,如需NPN,PNP需在型号后备注。
2、磁性开关能否定位气缸?
磁性开关只是辅助检测气缸有没有走到位,不能起到定位的作用,它靠磁石的感应范围没有精度的。
3、气缸是否有LA,FB安装附件?
目前怡合达官网暂时没有上型该部分附件,如客户需要可以询价备注,按需配好附件。
4、怎么计算气缸的出力大小?
在“产品简介”部分,有气缸理论出力表,可作为参考;但部分特殊气缸需要根据客户实际应用需求具体分析,可联系我司工作人员。
5、WGU02此款气缸导杆伸出较多,可以切掉?
不可以切掉,导杆切了导杆长度不够,气缸活塞杆伸出去会摆动。
1. 添加筛选条件,生成产品型号
客服
购物车
公众号
微信公众号
订单/资讯随手掌握
微信技术交流服务群
扫码添加进群
浏览记录
问题反馈
置顶
Copyright © 2010-2026 东莞怡合达自动化股份有限公司 版权所有 粤ICP备14032684号
营业执照: 91441900566614589Q