型号筛选
可选加工(可选)
未生成型号,还有 1 项未选择
重置
代码
无数据
产品选型
代码
无数据
规格
无数据
价格生成中...
图片仅供参考,请以已选的规格为准
怡合达自营 盲板 中国台湾标准电磁阀系列用 4V系列 S45C材质 镀镍
品牌名称:
怡合达
条件筛选:
产品型号:
未税折扣单价: -- --
含税折扣单价: ----
含税总价 (税率13%): ¥--
预计发货天数:-- 天 (发货天数以下单次日起算,不含周日与法定假日)
购买数量(PCS):
起订量:1PCS
, 加量幅度:1PCS
登录后可查看价格、加入购物车、一键购买
立即登录
价格生成中...
登录后可查看价格、加入购物车、一键购买
立即登录
代码WMB51的技术资料信息曾有所变更,可前往 型号勘误表 查看变更记录
相似商品
同类人气商品
技术图档
全部型号
3D预览
技术图档
产品简介
产品问答
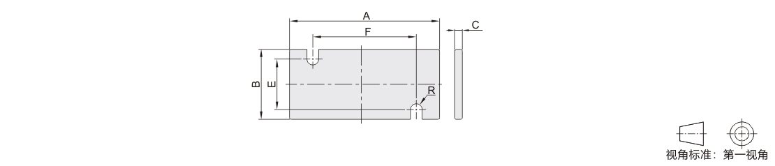
材质图
参数图
产品简介
产品问答
关于此产品的常见问题
1、堵头是否耐高温150℃以上?
这个主要取决于客户用堵头堵住之后 用的密封材料 比如用生料带的话 耐温150是可以的。
2、三位五通中封电磁阀能保持中间位置停止一段时间吗?
实际情况中,气缸停止后仍然会有缓慢的移动,原因在于三位五通中封阀本身就会存在泄露,一般有5 –10 L/min左右的泄漏量,
再加上气缸本身也可能存在一定的内部泄露,所以会导致即便处于中封位时,它所控制的气缸也不能保持完全静止。
1. 添加筛选条件,生成产品型号
客服
购物车
公众号
微信公众号
订单/资讯随手掌握
微信技术交流服务群
扫码添加进群
浏览记录
问题反馈
置顶
Copyright © 2010-2026 东莞怡合达自动化股份有限公司 版权所有 粤ICP备14032684号
营业执照: 91441900566614589Q