图片仅供参考,请以已选的规格为准
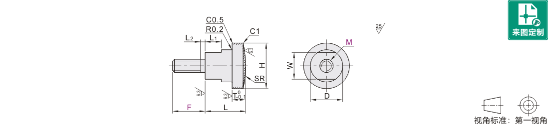
浮动接头 单件 气缸连接件 外螺纹型 标准型 尺寸固定型 尺寸指定型 头部球面型
条件筛选:
产品型号:
未税折扣单价: -- --
含税折扣单价: ----
含税总价 (税率13%): ¥--
预计发货天数:-- 天 (发货天数以下单次日起算,不含周日与法定假日)
购买数量():
起订量:0
, 加量幅度:0
登录后可查看价格、加入购物车、一键购买
立即登录
价格生成中...
登录后可查看价格、加入购物车、一键购买
立即登录
代码的技术资料信息曾有所变更,可前往 型号勘误表 查看变更记录
相似商品
同类人气商品
计算选型
型号筛选
可选加工(可选)
未生成型号,还有 6 项未选择
重置
代码
无数据
参数选型
尺寸选择
无数据
材质
无数据
表面处理
无数据
产品选型
代码
无数据
M
无数据
F
价格生成中...
技术图档
全部型号
3D预览
技术图档
可选加工参数
材质图
参数图
| 代码 |
类型 |
材质 |
硬度 |
表面处理 |
|||
| 国标 | 相当 | ||||||
| WHR51 | 外螺纹型 | 标准型 | 尺寸固定型 | 45 | S45C | 45~50HRC 表面高频淬火 |
发黑 |
| WHR52 | 9Cr18Mo | SUS440C | — | ||||
| WHR61 | 尺寸指定型 | 45 | S45C | 发黑 | |||
| WHR62 | 9Cr18Mo | SUS440C | — | ||||
SUS440C淬火件可能因淬火而变色。
选型表
SUS440C淬火件可能因淬火而变色。
可选加工参数

1. 添加筛选条件,生成产品型号
客服
购物车
公众号
微信公众号
订单/资讯随手掌握
微信技术交流服务群
扫码添加进群
浏览记录
问题反馈
置顶
Copyright © 2010-2026 东莞怡合达自动化股份有限公司 版权所有 粤ICP备14032684号
营业执照: 91441900566614589Q