型号筛选
可选加工(可选)
未生成型号,还有 3 项未选择
重置
代码
无数据
参数选型
表面处理
无数据
产品选型
代码
无数据
规格
无数据
价格生成中...
图片仅供参考,请以已选的规格为准
方形丝杠支座组件 固定侧 角接触轴承型 低肩型 压盖内藏型 标准型
条件筛选:
产品型号:
未税折扣单价: -- --
含税折扣单价: ----
含税总价 (税率13%): ¥--
预计发货天数:-- 天 (发货天数以下单次日起算,不含周日与法定假日)
购买数量():
起订量:0
, 加量幅度:0
登录后可查看价格、加入购物车、一键购买
立即登录
价格生成中...
登录后可查看价格、加入购物车、一键购买
立即登录
代码的技术资料信息曾有所变更,可前往 型号勘误表 查看变更记录
相似商品
同类人气商品
计算选型
技术图档
全部型号
3D预览
技术图档
产品简介
产品问答
材质图
参数图
| 代码 | 类型 | 材质 | 表面处理 | ||
| ①③⑤ | ④ | ①③④⑤ | |||
| LEB23 | 固定侧 |
角接触轴承型 |
S45C | SUJ2 | 发黑 |
| LED23 | 无电解镀镍 | ||||
| LEG23 | 镀黑铬 | ||||
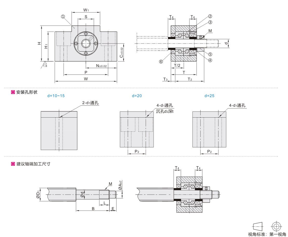
①②③⑥已组装好,请勿拆解,否则将影响精度。
使用经预压调整后的JIS 5级的角接触球轴承、最适用
于高精度、高速旋转用途。
压盖内藏型支座,在高频振动情况下,轴承盖有松动风险,
轴承盖螺纹处涂螺纹胶拧紧即可。
构成零件
| 编号 | 零件名称 | 数量 |
| ① | 轴承固定座 | 1 |
| ② | 角接触轴承5级 | 1对 |
| ③ | 轴承盖 | 1 |
| ④ | 轴环 | 2 |
| ⑤ | 支座用螺母(带紧定螺钉) | 1 |
| ⑥ | 油封 | 2 |

选型表
产品简介
产品问答
关于此产品的常见问题
1、标准型号支座包含哪些部分?
1.固定侧丝杠支座包含支座本体、支座压盖、角接触球轴承、支座用间隔环、油封、支座用螺母
2.支撑侧丝杠支座包含支座本体、深沟球轴承、挡圈
2、丝杠支座选型需要注意哪些方面?
1.固定侧支座与支撑侧支座中心高度C值要保持一致
2.支座从外形上分类有圆法兰型和方型,根据实际安装工况进行选择
3、丝杠支座产品发货形式是怎么样的?
通常情况下,对于固定侧丝杠支座,支座用间隔环和支座用螺母属于配件,独立包装后与支座主体部分一起放置于包装盒内;
对于支撑侧支座,深沟球轴承和挡圈属于配件,独立包装后与支座本体一起放置于包装盒内
4、丝杠支座支持定制吗?
丝杠支座支持定制,可根据客户多样化需求定制支座
5、使用中发现有异响怎么办?
支座异响,是轴承损坏导致的,轴承是精密件,损坏的原因主要有以下几点:
1、负载过大,导致轴承损坏
2、组装时有敲打或者运行过程中有装机等情况,都可能导致轴承损坏
3、环境较差,轴承里面进了杂质灰尘等,导致轴承损坏
4、整体机构组装精度较差或者设计偏载较大等,导致轴承受力不均,从而损坏
6、油封的作用是什么
油封和间隔环配套使用,起到相对密封防尘的作用
7、“油封适用轴径”是什么意思?
代表油封可以适配的轴径,标准支座都已经适配了间隔环,当客户不使用配套的间隔环时,
需考虑配套的轴径是否与油封匹配,避免轴与油封干涉,造成卡顿或者无法安装
8、固定侧支座组件可以分解拆开吗?
不可以。固定侧支座组件支座组件本体、轴承、轴承盖、油封已组装好,请勿拆解,否则影响精度。
1. 添加筛选条件,生成产品型号
客服
购物车
公众号
微信公众号
订单/资讯随手掌握
微信技术交流服务群
扫码添加进群
浏览记录
问题反馈
置顶
Copyright © 2010-2026 东莞怡合达自动化股份有限公司 版权所有 粤ICP备14032684号
营业执照: 91441900566614589Q