图片仅供参考,请以已选的规格为准
30度梯形丝杠 两端一阶型 左旋 右旋 通配型 发黑处理
条件筛选:
产品型号:
未税折扣单价: -- --
含税折扣单价: ----
含税总价 (税率13%): ¥--
预计发货天数:-- 天 (发货天数以下单次日起算,不含周日与法定假日)
购买数量():
起订量:0
, 加量幅度:0
登录后可查看价格、加入购物车、一键购买
立即登录
价格生成中...
登录后可查看价格、加入购物车、一键购买
立即登录
代码的技术资料信息曾有所变更,可前往 型号勘误表 查看变更记录
相似商品
同类人气商品
计算选型
型号筛选
可选加工(可选)
未生成型号,还有 12 项未选择
重置
代码
无数据
参数选型
台阶位置
无数据
材质
无数据
螺纹旋向
无数据
表面处理
无数据
配合形式
无数据
产品选型
代码
无数据
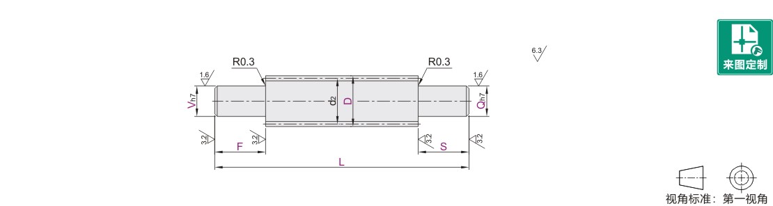
D
无数据
L
F
S
V
无数据
Q
无数据
价格生成中...
技术图档
全部型号
3D预览
技术图档
可选加工参数
产品简介
产品问答
材质图
参数图
| 代码 | 类型 |
螺纹旋向 | 配合形式 | 材质 | 表面处理 |
||||||||||
| 国标 | 相当 | ||||||||||||||
| LHR02 | 两端一阶型 |
左旋 |
标准型 |
45 | S45C | 发黑 | |||||||||
| LHR06 | Y1Cr18Ni9 | SUS303 | — | ||||||||||||
| LHR07 | 通配型 | 45 |
S45C |
发黑 |
|||||||||||
| LHR12 | 右旋 |
标准型 |
|||||||||||||
| LHR16 | Y1Cr18Ni9 | SUS303 | — | ||||||||||||
| LHR17 | 通配型 | 45 | S45C | 发黑 | |||||||||||
通配型梯形丝杠和螺帽配合会有较大间隙 ,如需紧配请选择标准型。
丝杠端部存在工艺孔。

选型表
( )内的规格不适用LHR07/17通配型。
Q尺寸14、20与数字式位置显示器配合使用(数字式位置显示器详见怡合达电商平台)。
D=8时,2≤F≤V×7,2≤S≤Q×7
可选加工参数

产品简介
产品问答
关于此产品的常见问题
1、梯形丝杠和滚珠丝杠有什么不同?
滚珠丝杠是滚动摩擦,梯形丝杠是滑动摩擦;
滚珠丝杠没有自锁性,而梯形丝杠有一定的自锁性。
2、怡合达梯形丝杠螺帽可以与其他品牌的梯形丝杠配套使用吗?
因每个厂家生产梯形丝杠存在细微差异,因此不建议怡合达梯形丝杠螺帽与其他品牌混合使用。
1. 添加筛选条件,生成产品型号
客服
购物车
公众号
微信公众号
订单/资讯随手掌握
微信技术交流服务群
扫码添加进群
浏览记录
问题反馈
置顶
Copyright © 2010-2026 东莞怡合达自动化股份有限公司 版权所有 粤ICP备14032684号
营业执照: 91441900566614589Q