型号筛选
未生成型号,还有 5 项未选择
代码
参数选型
轴承座凹球面公差
轴承座材质
轴承材质
产品选型
规格
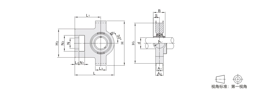
图片仅供参考,请以已选的规格为准
怡合达自营 带座轴承 铸造型 经济型 滑块座外球面球轴承
品牌名称:
怡合达
条件筛选:
产品型号:
登录后可查看价格、加入购物车、一键购买
立即登录
计算选型
技术图档
全部型号
3D预览
产品简介
产品问答
材质图
参数图
| 代码 | 类型 | 材质 | ||
| 轴承座 | 轴承 | |||
| E-BDX | 过渡配合 | 经济型 | HT200灰铸铁 | GCr15 |
| BDX | 标准型 | |||
| BDX05 | SUS304 | SUS420 | ||
| T-BDX | 间隙配合 | HT200灰铸铁 | GCr15 | |
轴承内径公差:H7
外形非安装尺寸公差:CT9
轴承座与轴承芯为过渡配合,
交货产品轴承芯略有倾斜为正常现象,
安装后锁紧螺栓会自动调正。
不承诺品牌。

选型表