图片仅供参考,请以已选的规格为准
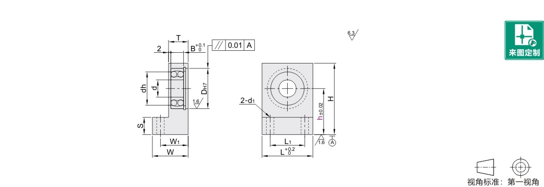
怡合达自营 带座轴承 轴承座组件 机加型 标准型 单轴承 L型 高度h选择型/h指定型 调心球轴承
品牌名称:
怡合达
条件筛选:
产品型号:
未税折扣单价: -- --
含税折扣单价: ----
含税总价 (税率13%): ¥--
预计发货天数:-- 天 (发货天数以下单次日起算,不含周日与法定假日)
购买数量():
起订量:0
, 加量幅度:0
登录后可查看价格、加入购物车、一键购买
立即登录
价格生成中...
登录后可查看价格、加入购物车、一键购买
立即登录
代码的技术资料信息曾有所变更,可前往 型号勘误表 查看变更记录
相似商品
同类人气商品
计算选型
型号筛选
可选加工(可选)
未生成型号,还有 6 项未选择
重置
代码
无数据
参数选型
尺寸选择
无数据
轴承座材质
无数据
轴承座表面处理
无数据
产品选型
代码
无数据
轴承型号
无数据
中心高度h(mm)
无数据
价格生成中...
技术图档
全部型号
3D预览
技术图档
可选加工参数
产品简介
产品问答
材质图
参数图
| 代码 |
类型 |
后置代码 |
材质 |
表面处理 | ||
| 轴承 | 轴承座 | 挡圈 | 轴承座 | |||
| BGH01 | 高度h选择型 | ATN (外圈引导工程塑料 保持架) |
钢 | S45C | 弹簧钢 | 发黑 |
| BGH02 | 喷细砂无电解镀镍 | |||||
| BGH03 | A2017 | 喷细砂本色阳极氧化 | ||||
| BGH06 | SUS304 | — | ||||
| BGH11 | 高度h指定型 | 钢 | S45C | 弹簧钢 | 发黑 | |
| BGH12 | 喷细砂无电解镀镍 | |||||
| BGH13 | A2017 | 喷细砂本色阳极氧化 | ||||
| BGH16 | SUS304 | — | ||||
由于产品批次不同,发货镀镍产品可能存在喷细砂,不影响尺寸及功能。
轴承精度:GB/T 307.1 6级

选型表
※ 轴承型号1203为金属保持架 ,无后置代码。
请注意避让挡圈 ,挡圈(TBP21/22/23)尺寸详见怡合达电商平台。
可选加工参数

产品简介
产品问答
关于此产品的常见问题
1、高负载的使用条件,选择哪种类型的轴承座组件比较好?
双轴承型轴承座组件适用于负载较大的使用环境,为转轴等传动类商品保持固定。
2、轴与轴承座组件装配后,轴向有明显窜动,如何解决?
如需轴向紧固轴承,建议使用固定环、螺帽等。选择轴向紧固用固定环、螺帽等时,请注意避让C型挡圈。
3、与轴承座组件配合使用的轴类零件应选择何种公差?
推荐选择g6公差转轴。
4、轴承座组件所使用的轴承是什么品牌?
不承诺轴承的品牌。
1. 添加筛选条件,生成产品型号
客服
购物车
公众号
微信公众号
订单/资讯随手掌握
微信技术交流服务群
扫码添加进群
浏览记录
问题反馈
置顶
Copyright © 2010-2026 东莞怡合达自动化股份有限公司 版权所有 粤ICP备14032684号
营业执照: 91441900566614589Q