型号筛选
可选加工(可选)
未生成型号,还有 6 项未选择
重置
代码
无数据
参数选型
轴承座材质
无数据
轴承座表面处理
无数据
轴承材质
无数据
产品选型
代码
无数据
轴承型号
无数据
中心高度h(mm)
无数据
价格生成中...
图片仅供参考,请以已选的规格为准
怡合达自营 带座轴承 轴承座组件 机加型 标准型 单轴承 单轴承 机加型 矩形块型 带挡圈
品牌名称:
怡合达
条件筛选:
产品型号:
未税折扣单价: -- --
含税折扣单价: ----
含税总价 (税率13%): ¥--
预计发货天数:-- 天 (发货天数以下单次日起算,不含周日与法定假日)
购买数量():
起订量:0
, 加量幅度:0
登录后可查看价格、加入购物车、一键购买
立即登录
价格生成中...
登录后可查看价格、加入购物车、一键购买
立即登录
代码的技术资料信息曾有所变更,可前往 型号勘误表 查看变更记录
相似商品
同类人气商品
计算选型
技术图档
全部型号
3D预览
技术图档
可选加工参数
产品简介
产品问答
材质图
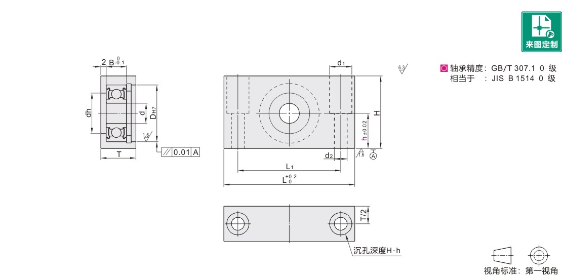
参数图
| 代码 | 材质 | 表面处理 | ||
| 轴承 | 轴承座 | 挡圈 | 轴承座 | |
| BGR81 | 钢 | S45C | 弹簧圈 | 发黑 |
| BGR82 | SUS304 | 喷细砂无电解镀镍 | ||
| BGR86 | 不锈钢 | SUS304 | — | |
由于产品批次不同,发货镀镍产品可能存在喷细砂,不影响尺寸及功能。

选型表
※ VV(非接触式橡胶密封圈)、DD(接触式橡胶密封圈)、轴承材质为钢。
请注意避让挡圈,挡圈(TBP21/22/23)尺寸详见怡合达电商平台。
可选加工参数

产品简介
产品问答
关于此产品的常见问题
1、高负载的使用条件,选择哪种类型的轴承座组件比较好?
双轴承型轴承座组件适用于负载较大的使用环境,为转轴等传动类商品保持固定。
2、轴与轴承座组件装配后,轴向有明显窜动,如何解决?
如需轴向紧固轴承,建议使用固定环、螺帽等。选择轴向紧固用固定环、螺帽等时,请注意避让C型挡圈。
3、与轴承座组件配合使用的轴类零件应选择何种公差?
推荐选择g6公差转轴。
4、轴承座组件所使用的轴承是什么品牌?
不承诺轴承的品牌。
1. 添加筛选条件,生成产品型号
客服
购物车
公众号
微信公众号
订单/资讯随手掌握
微信技术交流服务群
扫码添加进群
浏览记录
问题反馈
置顶
Copyright © 2010-2026 东莞怡合达自动化股份有限公司 版权所有 粤ICP备14032684号
营业执照: 91441900566614589Q