型号筛选
可选加工(可选)
未生成型号,还有 6 项未选择
重置
代码
无数据
参数选型
轴承座材质
无数据
轴承座表面处理
无数据
轴承材质
无数据
产品选型
代码
无数据
轴承型号
无数据
中心高度h(mm)
无数据
价格生成中...
图片仅供参考,请以已选的规格为准
怡合达自营 带座轴承 轴承座组件 机加型 标准型 双轴承紧凑T型 带挡圈高度h选择型
品牌名称:
怡合达
条件筛选:
产品型号:
未税折扣单价: -- --
含税折扣单价: ----
含税总价 (税率13%): ¥--
预计发货天数:-- 天 (发货天数以下单次日起算,不含周日与法定假日)
购买数量():
起订量:0
, 加量幅度:0
登录后可查看价格、加入购物车、一键购买
立即登录
价格生成中...
登录后可查看价格、加入购物车、一键购买
立即登录
代码的技术资料信息曾有所变更,可前往 型号勘误表 查看变更记录
相似商品
同类人气商品
计算选型
技术图档
全部型号
3D预览
技术图档
可选加工参数
产品简介
产品问答
材质图
参数图
| 代码 |
类型 |
材质 |
表面处理 | ||
| 轴承 | 轴承座 | 挡圈 | 轴承座 | ||
| BHF51 | 双轴承紧凑T型 | 钢 | S45C | 弹簧钢 | 发黑 |
| BHF52 | SUS304 | 喷细砂无电解镀镍 | |||
| BHF56 | 不锈钢 | SUS304 | — | ||
由于产品批次不同,发货镀镍产品可能存在喷细砂,不影响尺寸及功能。

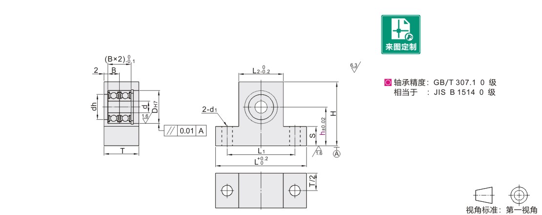
选型表
| 型号 |
h 选择 |
d |
DH7 |
dh |
B |
H |
L |
L1 |
L2 |
T |
S |
d1 |
|||
| 代码 | 轴承型号 | 密封圈 | |||||||||||||
| BHF51 BHF52 BHF56 |
605 | ZZ (双盖式) ※VV 橡胶密封 DD (接触式 橡胶密封圈) |
10 15 20 25 | 5 | 14 | +0.018 0 |
10 | 5 | h+10.8 | 40 | 30 | 20 | 15 | 4.8 | 4.5 |
| 606 | 12 20 25 30 | 6 | 17 | 13 | 6 | h+12.8 | 47 | 35 | 23 | 18 | 9.8 | 5.5 | |||
| 608 | 8 | 22 | +0.021 0 |
18 | 7 | h+14.8 | 53 | 41 | 29 | 19 | |||||
| 6900 |
20 30 40 |
10 | 19 | 6 | 18 | ||||||||||
| 6000 | 26 | 22 | 8 | h+16.8 | 58 | 46 | 34 | 23 | |||||||
| 6901 | 12 | 24 | 21 | 6 | h+15.8 | 56 | 44 | 32 | 18 | ||||||
| 6001 | 28 | 24 | 8 | h+17.8 | 60 | 48 | 36 | 23 | |||||||
| 6902 | 25 30 40 50 | 15 | 25 | 7 | 19 | 14.8 | |||||||||
| 6002 | 32 | +0.025 0 |
28 | 9 | h+19.8 | 68 | 54 | 40 | 24 | 6.5 | |||||
| 6903 | 17 | 30 | +0.021 0 |
27 | 7 | h+18.8 | 64 | 52 | 38 | 20 | |||||
| 6003 | 35 | +0.025 0 |
31 | 10 | h+21.8 | 70 | 56 | 43 | 26 | ||||||
| 6904 | 30 40 50 60 | 20 | 37 | 34 | 9 | h+22.8 | 73 | 59 | 45 | 24 | |||||
| 6004 | 42 | 36 | 12 | h+24.8 | 82 | 66 | 50 | 31 | 9 | ||||||
| 6005 | 25 | 47 | 41 | h+27.8 | 96 | 76 | 56 | ||||||||
| 6006 | 35 40 50 80 | 30 | 55 | +0.030 0 |
48 | 13 | h+31.8 | 104 | 84 | 64 | 32 | 19.8 | 11 | ||
※ VV(非接触式橡胶密封圈)不适用于型号为605、606的轴承。※ VV(非接触式橡胶密封圈)、DD(接触式橡胶密封圈)、轴承材质为钢。
请注意避让挡圈,挡圈尺寸请参考P892。
可选加工参数

产品简介
产品问答
关于此产品的常见问题
1、高负载的使用条件,选择哪种类型的轴承座组件比较好?
双轴承型轴承座组件适用于负载较大的使用环境,为转轴等传动类商品保持固定。
2、轴与轴承座组件装配后,轴向有明显窜动,如何解决?
如需轴向紧固轴承,建议使用固定环、螺帽等。选择轴向紧固用固定环、螺帽等时,请注意避让C型挡圈。
3、与轴承座组件配合使用的轴类零件应选择何种公差?
推荐选择g6公差转轴。
4、轴承座组件所使用的轴承是什么品牌?
不承诺轴承的品牌。
1. 添加筛选条件,生成产品型号
客服
购物车
公众号
微信公众号
订单/资讯随手掌握
微信技术交流服务群
扫码添加进群
浏览记录
问题反馈
置顶
Copyright © 2010-2026 东莞怡合达自动化股份有限公司 版权所有 粤ICP备14032684号
营业执照: 91441900566614589Q