型号筛选
可选加工(可选)
未生成型号,还有 5 项未选择
重置
代码
无数据
参数选型
皮带宽度
无数据
产品选型
代码
无数据
齿数
无数据
带轮形状
无数据
内径d(mm)
无数据
价格生成中...
图片仅供参考,请以已选的规格为准
怡合达自营 免键梯形齿同步轮 T10型 齿距10.0 带定心功能 标准型
条件筛选:
产品型号:
未税折扣单价: -- --
含税折扣单价: ----
含税总价 (税率13%): ¥--
预计发货天数:-- 天 (发货天数以下单次日起算,不含周日与法定假日)
购买数量():
起订量:0
, 加量幅度:0
登录后可查看价格、加入购物车、一键购买
立即登录
价格生成中...
登录后可查看价格、加入购物车、一键购买
立即登录
代码的技术资料信息曾有所变更,可前往 型号勘误表 查看变更记录
相似商品
同类人气商品
引导式选型
技术图档
全部型号
3D预览
技术图档
可选加工参数
产品简介
产品问答
材质图
参数图
| 代码 |
带轮类型 |
皮带宽度 |
齿距 |
材质 |
表面处理 |
使用胀套 代码 |
||||
| 带轮 | 法兰 | 胀套 | 带轮 | 法兰 | 胀套 | |||||
| ECG31 | T10150 | 15 | 10.0 | 铝合金 | 铝合金 | S45C | 本色阳极氧化 | 本色阳极氧化 | — | EUX16 |
| ECG36 | T10200 | 20 | ||||||||
| ECG41 | T10250 | 25 | ||||||||
| ECG46 | T10300 | 30 | ||||||||
| ECG51 | T10400 | 40 | ||||||||
| ECG56 | T10500 | 50 | ||||||||

由于本体宽度限制,部分规格本体无导入部位J,胀套贯穿本体。
"可选加工"见同步轮产品简介(适用WC/WD/WE/FC可选加工)。
选型表
胀套孔径尺寸表
| dH7 | 容许最大扭矩N∙m | D | (L) |
| 12 | 44.1 | 28.5 | 6.5 |
| 14 | 63.7 | 30.5 | |
| 15 | 80.4 | 31.5 | |
| 16 | 83.3 | 33 | |
| 17 | 92.2 | 33.5 | |
| 18 | 95.1 | 34.5 | |
| 19 | 98.1 | 35.5 | |
| 20 | 216.0 | 42 | 8 |
| 22 | 255.0 | 44 | |
| 24 | 363.0 | 46 | |
| 25 | 392.0 | 47 | |
| 28 | 441.0 | 50 | 8.5 |
| 30 | 500.0 | 52 | |
| 32 | 530.0 | 54 | |
| 35 | 883.0 | 62 | 10 |
| 40 | 1079.0 | 67 | |
| 45 | 1285.0 | 72 | |
| 50 | 1706.0 | 77 | 10.5 |
价格计算公式=主体价格+涨套价格+装配费
可选加工参数

产品简介
产品问答
关于此产品的常见问题
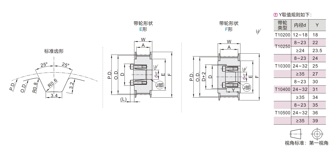
1、免键同步轮E型和F型有什么区别?
相对E型,F型占用空间更小,适用于联接轴较短的场合
2、带定心胀套和不带定心胀套有什么区别?
带定心胀套更容易安装,与轮毂、轴的同心度更稳定
3、免键同步轮是安装好胀套发货么?
是安装好胀套发货
4、免键同步轮胀套坏了可单独更换么?
可另行购买胀套进行更换
5、如何判定选用免键同步轮能否达到锁紧扭矩?
参考怡合达选型目录册对应胀套规格的容许最大扭矩值,建议预留15%安全余量
6、安装免键同步轮注意事项?
参考怡合达官网/目录免键同步轮产品简介页面说明
1. 添加筛选条件,生成产品型号
客服
购物车
公众号
微信公众号
订单/资讯随手掌握
微信技术交流服务群
扫码添加进群
浏览记录
问题反馈
置顶
Copyright © 2010-2026 东莞怡合达自动化股份有限公司 版权所有 粤ICP备14032684号
营业执照: 91441900566614589Q