型号筛选
可选加工(可选)
未生成型号,还有 4 项未选择
重置
代码
无数据
参数选型
主体材质
无数据
产品选型
代码
无数据
系列
无数据
齿数
无数据
价格生成中...
图片仅供参考,请以已选的规格为准
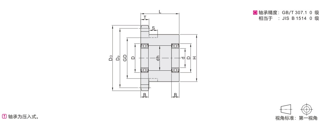
链轮惰轮 双侧轴承型 双轴承 发黑处理
条件筛选:
产品型号:
未税折扣单价: -- --
含税折扣单价: ----
含税总价 (税率13%): ¥--
预计发货天数:-- 天 (发货天数以下单次日起算,不含周日与法定假日)
购买数量():
起订量:0
, 加量幅度:0
登录后可查看价格、加入购物车、一键购买
立即登录
价格生成中...
登录后可查看价格、加入购物车、一键购买
立即登录
代码的技术资料信息曾有所变更,可前往 型号勘误表 查看变更记录
相似商品
同类人气商品
计算选型
技术图档
全部型号
3D预览
技术图档
产品简介
材质图
参数图
| 代码 | 类型 | 材质 | 热处理 | 表面处理 | |
| 本体 | 轴承 | ||||
| VLU01 | 双侧轴承型 | S45C | 钢 | 齿顶高频 | 发黑 |
| VLU11 | SUS304 | 不锈钢 | — | — | |
H值中带※号数据的链轮轮毂上有槽
| 系列 | 齿数 | S | GD |
| 35 | 10 | 4.4 | 20 |
| 12 | 26 | ||
| 13 | 29 | ||
| 40 | 10 | 5.2 | 27 |
| 11 | 31 | ||
| 12 | 35 | ||
| 50 | 12 | 6.4 | 44 |
| 13 | 49 |

选型表
VLU11无带*号规格。
产品简介
1. 添加筛选条件,生成产品型号
客服
购物车
公众号
微信公众号
订单/资讯随手掌握
微信技术交流服务群
扫码添加进群
浏览记录
问题反馈
置顶
Copyright © 2010-2026 东莞怡合达自动化股份有限公司 版权所有 粤ICP备14032684号
营业执照: 91441900566614589Q