型号筛选
可选加工(可选)
未生成型号,还有 6 项未选择
重置
代码
无数据
种类筛选
产品选型
代码
无数据
规格
无数据
减速比(rpm)
无数据
轴型
无数据
轴承类型
无数据
价格生成中...
图片仅供参考,请以已选的规格为准
怡合达自营 经济型调速电机 减速机 电机法兰尺寸70 功率15W GN组合型
品牌名称:
怡合达
条件筛选:
产品型号:
未税折扣单价: -- --
含税折扣单价: ----
含税总价 (税率13%): ¥--
预计发货天数:-- 天 (发货天数以下单次日起算,不含周日与法定假日)
购买数量():
起订量:0
, 加量幅度:0
登录后可查看价格、加入购物车、一键购买
立即登录
价格生成中...
登录后可查看价格、加入购物车、一键购买
立即登录
代码的技术资料信息曾有所变更,可前往 型号勘误表 查看变更记录
相似商品
同类人气商品
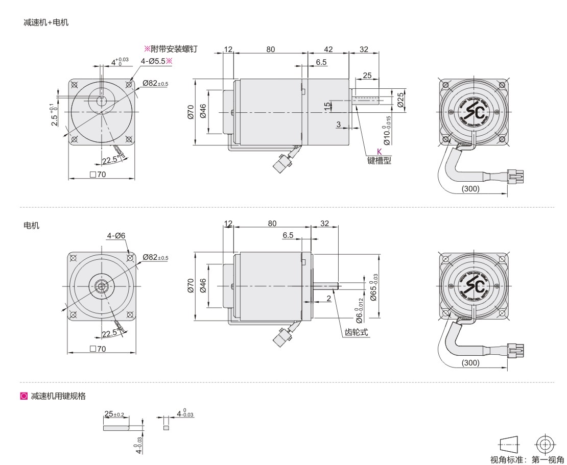
技术图档
全部型号
3D预览
技术图档
材质图
参数图
| 代码 | 类型 |
齿轮类型 | |
| ZJC27 | 经济型调速电机 | 电机 | GN型 |
| ZJV12 | 减速机 | ||

电机
| 型号 |
电极 |
功率 W |
电压 V |
频率 Hz |
调速范围 rpm |
容许转矩 |
启动扭矩 |
电容 μF |
适用速度控制器 |
适用 减速机 |
重量kg |
|||||
| 代码 | 规格 | 1200rpm时 | 90rpm时 | |||||||||||||
| kg-cm | N-m | kg-cm | N-m | kg-cm | N-m | |||||||||||
| ZJC27 | A110 | 4 | 15 | 110 | 50/60 | 90-1400 | 1.20 | 0.12 | 0.35 | 0.035 | 0.50 | 0.050 | 6.0 | ZJC57-15-110-70 | ZJV12 | 1.04 |
| C220 | 4 | 15 | 220 | 50/60 | 90-1400 | 1.20 | 0.12 | 0.35 | 0.035 | 0.52 | 0.052 | 1.2 | ZJC57-15-220-70 | |||
交流感应调速电机,是获得CE 认证的产品,为过热保护型。
可变速度范围是指无负载时可变范围。
减速机
| 型号 |
轴型 |
轴承类型 |
50Hz |
60Hz |
重量 kg |
适用电机 |
|||||
| 代码 | 减速比 rpm |
转速 rpm |
扭矩 | 转速 rpm |
扭矩 | ||||||
| kg-cm | N-m | kg-cm | N-m | ||||||||
| ZJV12 | 3 | K 键槽型 |
B1 滚珠轴承型 |
500 | 3.06 | 0.30 | 600 | 2.65 | 0.26 | 0.47 | ZJC27 |
| 3.6 | 417 | 3.67 | 0.36 | 500 | 3.16 | 0.31 | |||||
| 5 | 300 | 5.20 | 0.51 | 360 | 4.38 | 0.43 | |||||
| 6 | 250 | 6.22 | 0.62 | 300 | 5.20 | 0.51 | |||||
| 7.5 | 200 | 7.75 | 0.76 | 240 | 6.53 | 0.64 | |||||
| 9 | 166 | 9.28 | 0.92 | 200 | 7.85 | 0.77 | |||||
| 12.5 | 120 | 13.2 | 1.3 | 144 | 11.2 | 1.1 | |||||
| 15 | 100 | 15.3 | 1.5 | 120 | 13.2 | 1.3 | |||||
| 18 | 83 | 18.3 | 1.8 | 100 | 15.3 | 1.5 | |||||
| 25 | 60 | 23.4 | 2.3 | 72 | 19.3 | 1.9 | 0.52 | ||||
| 30 | 50 | 27.5 | 2.7 | 60 | 23.4 | 2.3 | |||||
| 36 | 41 | 33.7 | 3.3 | 50 | 28.5 | 2.8 | |||||
| 50 | 30 | 41.8 | 4.1 | 36 | 35.7 | 3.5 | |||||
| 60 | 25 | 50.0 | 5 | 30 | 42.8 | 4.2 | |||||
| 75 | 20 | 50.0 | 5 | 24 | 50.0 | 5.0 | |||||
| 90 | 16 | 50.0 | 5 | 20 | 50.0 | 5.0 | |||||
| 100 | 15 | 50.0 | 5 | 18 | 50.0 | 5.0 | |||||
| 120 | 12 | 50.0 | 5 | 15 | 50.0 | 5.0 | |||||
| 150 | 10 | 50.0 | 5 | 12 | 50.0 | 5.0 | |||||
| 180 | 8 | 50.0 | 5 | 10 | 50.0 | 5.0 | |||||
| 200 | 7.5 | 50.0 | 5 | 9 | 50.0 | 5.0 | |||||
减速比25、30、35的电机反方向回转,其余减速比电机同一个方向回转。
回转数以电机的同步回转数(50Hz:1500rpm,60Hz:1800rpm)为基准,除以减速比来计算。实际的回转数随负载的大小,因此标示的数值少2-20%左右。
1. 添加筛选条件,生成产品型号
客服
购物车
公众号
微信公众号
订单/资讯随手掌握
微信技术交流服务群
扫码添加进群
浏览记录
问题反馈
置顶
Copyright © 2010-2026 东莞怡合达自动化股份有限公司 版权所有 粤ICP备14032684号
营业执照: 91441900566614589Q