型号筛选
可选加工(可选)
未生成型号,还有 1 项未选择
重置
代码
无数据
产品选型
代码
无数据
规格
无数据
价格生成中...
图片仅供参考,请以已选的规格为准
怡合达自营 普通定速电机 减速机 电机法兰尺寸60 功率6W GN组合型
品牌名称:
怡合达
条件筛选:
产品型号:
未税折扣单价: -- --
含税折扣单价: ----
含税总价 (税率13%): ¥--
预计发货天数:-- 天 (发货天数以下单次日起算,不含周日与法定假日)
购买数量(PCS):
起订量:1PCS
, 加量幅度:1PCS
登录后可查看价格、加入购物车、一键购买
立即登录
价格生成中...
登录后可查看价格、加入购物车、一键购买
立即登录
代码ZJV06的技术资料信息曾有所变更,可前往 型号勘误表 查看变更记录
相似商品
同类人气商品
技术图档
全部型号
3D预览
技术图档
材质图
参数图
| 代码 | 类型 |
齿轮类型 | |
| ZJV06 | 普通定速电机 |
电机 | GN型 |
| ZJV07 | 减速机 | ||

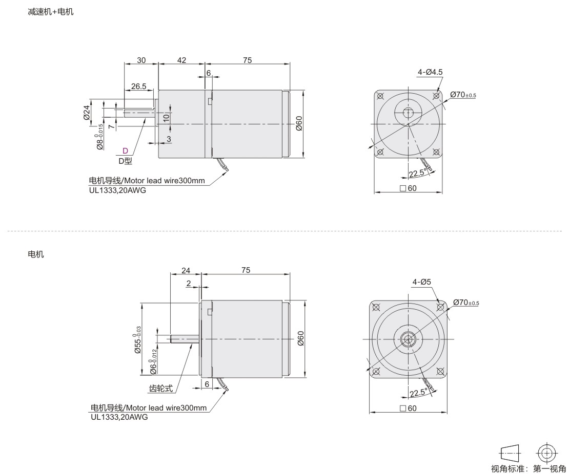
电机
| 型号 | 电极 | 功率 W |
电压 V |
频率 Hz |
额定速度 rpm |
启动扭矩 | 额定扭矩N-m | 电容 μF |
适用 减速机 |
重量kg | ||||||||||||||||||||||||||
| 代码 | 规格 | kg-cm | N-m | kg-cm | N-m | |||||||||||||||||||||||||||||||
| ZJV06 | A110 | 4 | 6 | 110 | 50/60 | 1200 | 0.55 | 0.054 | 0.48 | 0.047 | 3.5 | ZJV07 | 0.75 | |||||||||||||||||||||||
| C220 | 4 | 6 | 220 | 50/60 | 1200 | 0.50 | 0.049 | 0.48 | 0.047 | 0.8 | ||||||||||||||||||||||||||
交流感应定速电机,是获得CE认证的产品,为过热保护型。
减速机
| 型号 | 轴型 |
轴承类型 |
50Hz | 60Hz | 重量 kg |
适用电机 |
|||||
| 代码 |
减速比 rpm |
转速 rpm |
扭矩 | 转速 rpm |
扭矩 | ||||||
| kg-cm | N-m | kg-cm | N-m | ||||||||
| ZJV07 | 3 | D D型 |
B1 滚珠轴承型 |
500 | 1.22 | 0.12 | 600 | 1.02 | 0.10 | 0.35 | ZJV06 |
| 3.6 | 417 | 1.43 | 0.14 | 500 | 1.22 | 0.12 | |||||
| 5 | 300 | 1.94 | 0.19 | 360 | 1.63 | 0.16 | |||||
| 6 | 250 | 2.35 | 0.23 | 300 | 1.94 | 0.19 | |||||
| 7.5 | 200 | 2.96 | 0.29 | 240 | 2.45 | 0.24 | |||||
| 9 | 166 | 3.57 | 0.35 | 200 | 2.96 | 0.29 | |||||
| 12.5 | 120 | 4.96 | 0.49 | 144 | 4.18 | 0.41 | |||||
| 15 | 100 | 5.92 | 0.59 | 120 | 5.00 | 0.5 | |||||
| 18 | 83 | 7.14 | 0.71 | 100 | 5.92 | 0.59 | |||||
| 25 | 60 | 8.98 | 0.89 | 72 | 7.45 | 0.74 | 0.42 | ||||
| 30 | 50 | 11.2 | 1.1 | 60 | 8.98 | 0.89 | |||||
| 36 | 41 | 13.3 | 1.3 | 50 | 11.2 | 1.1 | |||||
| 50 | 30 | 16.3 | 1.6 | 36 | 13.3 | 1.3 | |||||
| 60 | 25 | 19.4 | 1.9 | 30 | 16.3 | 1.6 | |||||
| 75 | 20 | 24.5 | 2.4 | 24 | 20.4 | 2.0 | |||||
| 90 | 16 | 29.6 | 2.9 | 20 | 24.5 | 2.4 | |||||
| 100 | 15 | 30.0 | 3 | 18 | 26.5 | 2.6 | |||||
| 120 | 12.5 | 30.0 | 3 | 15 | 30.0 | 3 | |||||
| 150 | 10 | 30.0 | 3 | 12 | 30.0 | 3 | |||||
| 180 | 8.3 | 30.0 | 3 | 10 | 30.0 | 3 | |||||
| 200 | 7.5 | 30.0 | 3 | 9 | 30.0 | 3 | |||||
减速比25、30、36、50的电机反方向回转,其余减速比电机同一个方向回转。
回转数以电机的同步回转数(50Hz:1500rpm,60Hz:1800rpm)为基准,除以减速比来计算。实际的回转数随负载的大小,因此标示的数值少2-20%左右。
1. 添加筛选条件,生成产品型号
客服
购物车
公众号
微信公众号
订单/资讯随手掌握
微信技术交流服务群
扫码添加进群
浏览记录
问题反馈
置顶
Copyright © 2010-2026 东莞怡合达自动化股份有限公司 版权所有 粤ICP备14032684号
营业执照: 91441900566614589Q