HFV06-76
复制
型号筛选
可选加工(可选)
型号已生成
重置
代码
无数据
产品选型
代码
无数据
规格
无数据
价格生成中...
图片仅供参考,请以已选的规格为准
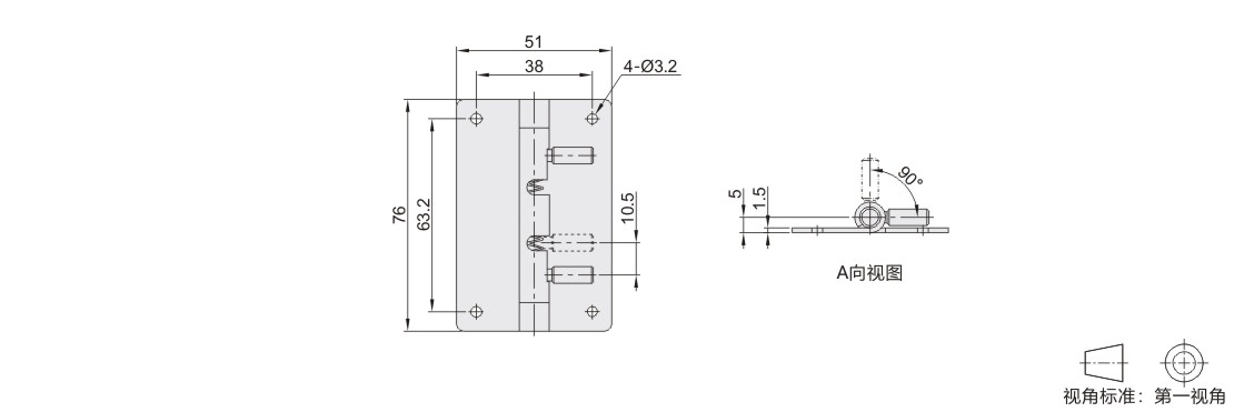
不锈钢蝶形铰链 平型 圆孔型 调节弹力方型 SUS304 表面拉丝
条件筛选:
产品型号:
HFV06-76
未税折扣单价: -- --
含税折扣单价: ----
含税总价 (税率13%): ¥--
预计发货天数:-- 天 (发货天数以下单次日起算,不含周日与法定假日)
购买数量(PCS):
起订量:1PCS
, 加量幅度:1PCS
登录后可查看价格、加入购物车、一键购买
立即登录
价格生成中...
登录后可查看价格、加入购物车、一键购买
立即登录
代码HFV06的技术资料信息曾有所变更,可前往 型号勘误表 查看变更记录
相似商品
同类人气商品
计算选型
技术图档
全部型号
3D预览
技术图档
产品简介
材质图
参数图
| 代码 | 类型 |
材质 | 表面处理 | |
| HFV06 | 调节弹力方型 | 圆孔型 | SUS304 |
拉丝 |

选型表
| 型号 | 负载 (kg) |
参考重量 (kg/pcs) |
|||||||||||
| 代码 | 规格 | ||||||||||||
| HFV06 | 76 | 10 | 0.07 | ||||||||||
容许负载为使用2个时的数值。

产品简介
请先筛选参数,生成产品型号
客服
购物车
公众号
微信公众号
订单/资讯随手掌握
微信技术交流服务群
扫码添加进群
浏览记录
问题反馈
置顶
Copyright © 2010-2026 东莞怡合达自动化股份有限公司 版权所有 粤ICP备14032684号
营业执照: 91441900566614589Q