图片仅供参考,请以已选的规格为准
医疗 导向轴 一端外螺纹一端内螺纹型·带扳手槽型 D公差f8
品牌名称:
怡合达
条件筛选:
产品型号:
未税折扣单价: -- --
含税折扣单价: ----
含税总价 (税率13%): ¥--
预计发货天数:-- 天 (发货天数以下单次日起算,不含周日与法定假日)
购买数量():
起订量:0
, 加量幅度:0
登录后可查看价格、加入购物车、一键购买
立即登录
价格生成中...
登录后可查看价格、加入购物车、一键购买
立即登录
代码的技术资料信息曾有所变更,可前往 型号勘误表 查看变更记录
相似商品
同类人气商品
引导式选型
型号筛选
可选加工(可选)
未生成型号,还有 9 项未选择
重置
代码
无数据
参数选型
材质
无数据
产品选型
代码
无数据
轴径D(mm)
无数据
长度L(mm)
台阶长度F(mm)
螺纹长度B(mm)
台阶直径P(mm)
无数据
内螺纹N(mm)
无数据
扳手槽距离端面距离S(mm)
价格生成中...
规格参数
全部型号
3D预览
规格参数
可选加工
产品简介
材质图
参数图
| 代码 |
类型 |
精度等级 |
D公差 |
材质 | 硬度 |
表面处理 |
|
| 国标 | 相当 | ||||||
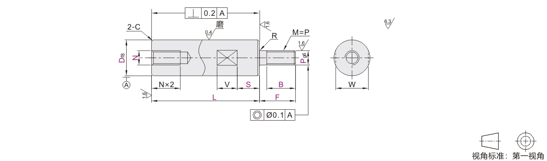
| Y-FCM11 | 带扳手槽型 | 普通级 | f8 | 45 | S45C | — | 镀硬铬,镀层硬度HV750~,镀层厚度3µm~ |
| Y-FCM14 | 0Cr18Ni9 | SUS304 | |||||
注意:B=0时,无外螺纹。

圆度/直线度/垂直度/同轴度/硬度变化/铬层分布,请参阅导向轴产品简介。
选型表
| 型号 | 最小单位1 | P 选择 |
N 选择 |
扳手槽尺寸 | R | C | ||||||
| 代码 | Df8 | L | F | B | S | W | V | |||||
| (D公差f8) Y-FCM11 Y-FCM14 |
6 | -0.010 -0.028 |
20~600 | F=2~P×5 | 根据使用要求指定 B尺寸 B=0时,无外螺纹 |
3 4 5 6 | 3 | 根据使用 要求指定 S尺寸 最小单位1 扳手槽尺寸参阅导向轴 产品简介 |
5 | 8 | 0.3 | 0.5 |
| 8 | -0.013 -0.035 |
20~800 | 3 4 5 6 8 | 3 4 5 | 7 | |||||||
| 10 | 4 5 6 8 10 | 3 4 5 6 | 8 | |||||||||
| 12 | -0.016 -0 043 |
20~1000 | 5 6 8 10 12 | 4 5 6 8 | 10 | 10 | ||||||
| 13 | 5 6 8 10 12 | 4 5 6 8 | 11 | |||||||||
| 15 | 5 6 8 10 12 | 4 5 6 8 10 | 13 | |||||||||
| 16 | 20~1200 | 5 6 8 10 12 16 | 4 5 6 8 10 | 14 | ||||||||
| 18 | 5 6 8 10 12 16 | 4 5 6 8 10 12 | 16 | |||||||||
| 20 | -0.020 -0.053 |
6 8 10 12 16 20 | 4 5 6 8 10 12 | 17 | 1.0 | |||||||
| 25 | 8 10 12 16 20 24 | 4 5 6 8 10 12 16 | 22 | |||||||||
| 30 | 20~1500 | 8 10 12 16 20 24 30 | 6 8 10 12 16 20 | 27 | 15 | |||||||
| 35 | -0.025 -0 064 |
10 12 16 20 24 30 | 8 10 12 16 20 24 | 30 | 0.5 | |||||||
| 40 | 12 16 20 24 30 | 10 12 16 20 24 30 | 36 | 20 | ||||||||
| 50 | 16 20 24 30 | 12 16 20 24 30 | 41 | |||||||||
可选加工

产品简介
1. 添加筛选条件,生成产品型号
客服
购物车
公众号
微信公众号
订单/资讯随手掌握
微信技术交流服务群
扫码添加进群
浏览记录
问题反馈
置顶
Copyright © 2010-2026 东莞怡合达自动化股份有限公司 版权所有 粤ICP备14032684号
营业执照: 91441900566614589Q