图片仅供参考,请以已选的规格为准

医疗 导向轴 一端外螺纹一端内螺纹型·带扳手槽型 D公差g6
品牌名称:
怡合达
条件筛选:
产品型号:
登录后可查看价格、加入购物车、一键购买
立即登录
引导式选型
型号筛选
未生成型号,还有 11 项未选择
代码
参数选型
材质
精度等级
表面处理
产品选型
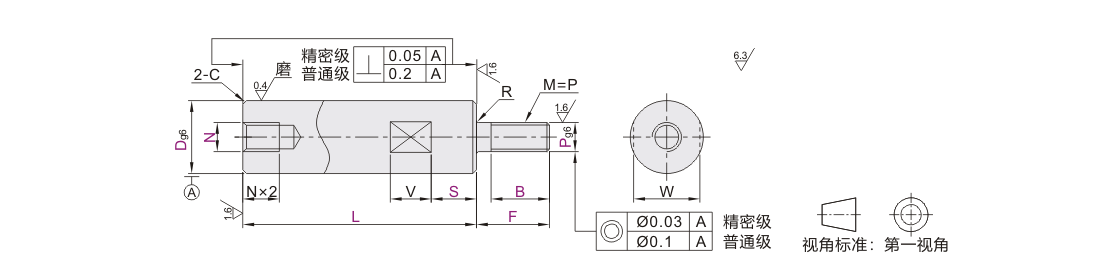
轴径D(mm)
长度L(mm)
台阶长度F(mm)
螺纹长度B(mm)
台阶直径P(mm)
内螺纹N(mm)
扳手槽距离端面距离S(mm)
规格参数
3D预览
可选加工
产品简介
材质图
参数图
| 代码 | D公差 | 材质 | 硬度 | 表面处理 | ||
| 普通级 | 精密级 | 国标 | 相当 | |||
| Y-FCM02 | Y-FCM32 | g6 | GCr15 | SUJ2 | 高频淬火 有效硬化层深度见P131 淬火硬度 GCr15 HRC56~ 9Cr18Mo或同等硬度耐蚀钢 HRC54~ |
镀硬铬,镀层硬度HV750~,镀层厚度3µm~ |
| Y-FCM06 | Y-FCM36 | 9Cr18 Mo或同等硬 度耐蚀钢 |
SUS440C或同等硬度耐蚀钢 | 一 | ||
| Y-FCM07 | Y-FCM37 | 镀硬铬,镀层硬度HV750~,镀层厚度3µm~ | ||||
注意:B=0时,无外螺纹。

圆度/直线度/垂直度/同轴度/硬度变化/铬层分布,请参阅导向轴产品简介。
扳手槽、轴端加工部分(有效螺纹长度+10mm左右)可能会因加工的退火效应而导致硬度降低,详情请参阅导向轴产品简介。
精密级导向轴的螺纹根部带有研磨退刀槽(最宽1.5mm,最深0.1mm)
普通级
| 型号 |
最小单位1 |
P 选择 |
N 选择 |
扳手槽尺寸 |
R |
C |
||||||
| 代码 | Dg6 | L | F | B | S | W | V | |||||
| Y-FCM02 Y-FCM06 Y-FCM07 |
6 | -0.004 -0.012 |
20~600 | F=2~P×5 | 要求指定 B尺寸 无外螺纹 |
3 4 5 6 | 3 | 要求指定 S尺寸 参阅导向轴 产品简介 |
5 | 8 | 0.3 | 0.5 |
| 8 | -0.005 -0.014 |
20~800 | 3 4 5 6 8 | 3 4 5 | 7 | |||||||
| 10 | 4 5 6 8 10 | 3 4 5 6 | 8 | |||||||||
| 12 | -0.006 -0.017 |
20~1000 | 5 6 8 10 12 | 4 5 6 8 | 10 | 10 | ||||||
| 13 | 5 6 8 10 12 | 4 5 6 8 | 11 | |||||||||
| 15 | 5 6 8 10 12 | 4 5 6 8 10 | 13 | |||||||||
| 16 | 20~1200 | 5 6 8 10 12 16 | 4 5 6 8 10 | 14 | ||||||||
| 18 | 5 6 8 10 12 16 | 4 5 6 8 10 12 | 16 | |||||||||
| 20 | -0.007 -0.020 |
6 8 10 12 16 20 | 4 5 6 8 10 12 | 17 | 1.0 | |||||||
| 25 | 8 10 12 16 20 24 | 4 5 6 8 10 12 16 | 22 | |||||||||
| 30 | 20~1500 | 8 10 12 16 20 24 30 | 6 8 10 12 16 20 | 27 | 15 | |||||||
| 35 | -0.009 -0.025 |
10 12 16 20 24 30 | 8 10 12 16 20 24 | 30 | 0.5 | |||||||
| 40 | 35~1500 | 12 16 20 24 30 | 10 12 16 20 24 30 | 36 | 20 | |||||||
| 50 | 45~1500 | 16 20 24 30 | 12 16 20 24 30 | 41 | ||||||||
精密级
| 型号 |
最小单位1 |
P 选择 |
N 选择 |
扳手槽尺寸 |
R |
C |
||||||
| 代码 | Dg6 | L | F | B | S | W | V | |||||
| Y-FCM32 Y-FCM36 Y-FCM37 |
6 | -0.004 -0.012 |
20~300 | F=2~P×5 | 要求指定 B尺寸 无外螺纹 |
3 4 | 3 | 要求指定 S尺寸 参阅导向轴 产品简介 |
5 | 8 | 0.3 | 0.2 |
| 8 | -0.005 -0.014 |
3 4 5 6 | 3 4 5 | 7 | ||||||||
| 10 | 20~350 | 4 5 6 8 | 3 4 5 6 | 8 | ||||||||
| 12 | -0.006 -0.017 |
5 6 8 10 | 4 5 6 8 | 10 | 10 | |||||||
| 13 | 5 6 8 10 | 4 5 6 8 | 11 | |||||||||
| 15 | 5 6 8 10 12 | 4 5 6 8 10 | 13 | |||||||||
| 16 | 5 6 8 10 12 | 4 5 6 8 10 | 14 | |||||||||
| 18 | 5 6 8 10 12 16 | 4 5 6 8 10 12 | 16 | |||||||||
| 20 | -0.007 -0.020 |
20~450 | 6 8 10 12 16 | 4 5 6 8 10 12 | 17 | |||||||
| 25 | 8 10 12 16 20 | 4 5 6 8 10 12 16 | 22 | |||||||||
| 30 | 8 10 12 16 20 24 | 6 8 10 12 16 20 | 27 | 15 | ||||||||