图片仅供参考,请以已选的规格为准
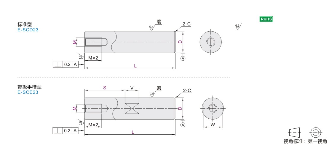
经济型实心导向轴 一端内螺纹型 带扳手槽型 表面粗糙度Ra0.8
条件筛选:
产品型号:
未税折扣单价: -- --
含税折扣单价: ----
含税总价 (税率13%): ¥--
预计发货天数:-- 天 (发货天数以下单次日起算,不含周日与法定假日)
购买数量():
起订量:0
, 加量幅度:0
登录后可查看价格、加入购物车、一键购买
立即登录
价格生成中...
登录后可查看价格、加入购物车、一键购买
立即登录
代码的技术资料信息曾有所变更,可前往 型号勘误表 查看变更记录
相似商品
同类人气商品
引导式选型
型号筛选
可选加工(可选)
未生成型号,还有 6 项未选择
重置
代码
无数据
参数选型
轴身加工
无数据
产品选型
代码
无数据
轴径D(mm)
无数据
长度L(mm)
内螺纹M(mm)
无数据
扳手槽距离端面距离S(mm)
价格生成中...
规格参数
全部型号
3D预览
规格参数
可选加工参数
产品简介
材质图
参数图
| 代码 |
类型 |
精度等级 |
材质 |
硬度 |
表面处理 |
||
| 国标 | 相当 | ||||||
| E-SCD23 | 一端内螺纹型 | 标准型 | 普通级 | 45 | S45C | 高频淬火 有效硬化层深度见P16 淬火硬度HRC56~ |
镀硬铬, 镀层硬度HV750~, 镀层厚度3µm~ |
| E-SCE23 | 带扳手槽型 | ||||||

圆度/直线度/垂直度/同轴度/硬度变化/铬层分布,请参阅导向轴产品简介。
轴端加工部分(有效螺纹长度+10mm左右)可能会因加工的退火效应而导致硬度降低,详情请参阅导向轴概要。
标准型
| 型号 |
L 最小单位1 |
M 选择 |
C |
||
| 代码 | D | ||||
| E-SCD23 | 6 | -0.005 -0.020 |
15~1000 | 3 | 0.5以下 |
| 8 | 3 4 5 | ||||
| 10 | 3 4 5 6 | ||||
| 12 | 15~1500 | 4 5 6 8 | |||
| 13 | 4 5 6 8 | ||||
| 15 | -0.005 -0.025 |
4 5 6 8 10 | |||
| 16 | 30~2500 | 4 5 6 8 10 | |||
| 20 | 4 5 6 8 10 12 | 1.0以下 | |||
| 25 | 4 5 6 8 10 12 16 | ||||
| 30 | 60~3000 |
4 5 6 8 10 12 16 20 | |||
| 35 | -0.005 -0.030 |
8 10 12 16 20 24 | |||
| 40 | 10 12 16 20 24 30 | ||||
| 50 | 12 16 20 24 30 | ||||
带扳手槽型
| 型号 |
L 最小单位1 |
M 选择 |
扳手槽尺寸 |
C |
||||
| 代码 | D | S | W | V | ||||
| E-SCE23 | 6 | -0.005 -0.020 |
15~1000 | 3 | 指定S尺寸 导向轴产品简介 |
5 | 8 | 0.5以下 |
| 8 | 3 4 5 | 7 | ||||||
| 10 | 3 4 5 6 | 8 | ||||||
| 12 | 15~1500 | 4 5 6 8 | 10 | 10 | ||||
| 13 | 4 5 6 8 | 11 | ||||||
| 15 | -0.005 -0.025 |
4 5 6 8 10 | 13 | |||||
| 16 | 30~2500 | 4 5 6 8 10 | 14 | |||||
| 20 | 4 5 6 8 10 12 | 17 | 1.0以下 | |||||
| 25 | 4 5 6 8 10 12 16 | 22 | ||||||
| 30 | 60~3000 | 6 8 10 12 16 20 | 27 | 15 | ||||
| 35 | -0.005 -0.030 |
8 10 12 16 20 24 | 30 | |||||
| 40 | 10 12 16 20 24 30 | 36 | 20 | |||||
| 50 | 12 16 20 24 30 | 41 | ||||||
可选加工参数

产品简介
1. 添加筛选条件,生成产品型号
客服
购物车
公众号
微信公众号
订单/资讯随手掌握
微信技术交流服务群
扫码添加进群
浏览记录
问题反馈
置顶
Copyright © 2010-2026 东莞怡合达自动化股份有限公司 版权所有 粤ICP备14032684号
营业执照: 91441900566614589Q