图片仅供参考,请以已选的规格为准

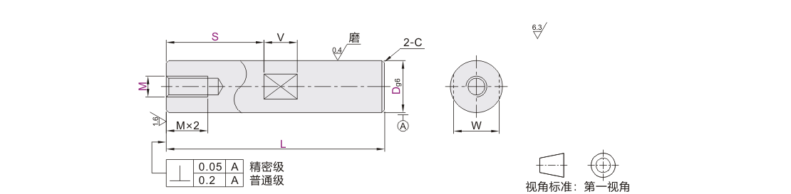
医疗 导向轴 一端内螺纹型·带扳手槽型 D公差g6
品牌名称:
怡合达
条件筛选:
产品型号:
未税折扣单价: -- --
含税折扣单价: ----
含税总价 (税率13%): ¥--
预计发货天数:-- 天 (发货天数以下单次日起算,不含周日与法定假日)
购买数量():
起订量:0
, 加量幅度:0
登录后可查看价格、加入购物车、一键购买
立即登录
价格生成中...
登录后可查看价格、加入购物车、一键购买
立即登录
代码的技术资料信息曾有所变更,可前往 型号勘误表 查看变更记录
相似商品
同类人气商品
引导式选型
型号筛选
可选加工(可选)
未生成型号,还有 8 项未选择
重置
代码
无数据
参数选型
材质
无数据
精度等级
无数据
表面处理
无数据
产品选型
代码
无数据
轴径D(mm)
无数据
长度L(mm)
内螺纹M(mm)
无数据
扳手槽距离端面距离S(mm)
价格生成中...
规格参数
全部型号
3D预览
规格参数
可选加工
产品简介
材质图
参数图
| 代码 |
D公差 |
材质 |
硬度 |
表面处理 |
||
| 普通级 | 精密级 | 国标 | 相当 | |||
| Y-FCD02 | Y-FCD32 | g6 | GCr15 | SUJ2 | 高频淬火 有效硬化层深度见P131 淬火硬度 GCr15 HRC56~ S45C HRC56~ 9Cr18Mo或同等硬度耐蚀钢 HRC54~ |
镀硬铬,镀层硬度HV750~,镀层厚度3µm~ |
| Y-FCD06 | Y-FCD36 | 9Cr18 Mo或同等硬 度耐蚀钢 |
SUS440C或同等硬 度耐蚀钢 |
— | ||
| Y-FCD07 | Y-FCD37 | 镀硬铬,镀层硬度HV750~,镀层厚度3µm~ | ||||
| Y-FCD22 | — | 45 | S45C | |||

圆度/直线度/垂直度/同轴度/硬度变化/铬层分布,请参阅导向轴产品简介。
扳手槽、轴端加工部分(有效螺纹长度+10mm左右)可能会因加工的退火效应而导致硬度降低,详情请参阅导向轴产品简介。
普通级
| 型号 |
L 最小单位1 |
M 选择 |
扳手槽尺寸 |
C |
||||
| 代码 | Dg6 | S | W | V | ||||
| Y-FCD02 Y-FCD06 Y-FCD07 Y-FCD22 |
6 | -0.004 -0.012 |
15~600 | 3 | 要求指定 S尺寸 参阅导向轴 产品简介 |
5 | 8 | 0.5 |
| 8 | -0.005 -0.014 |
15~800 | 3 4 5 | 7 | ||||
| 10 | 3 4 5 6 | 8 | ||||||
| 12 | -0.006 -0.017 |
15~ 1000 | 4 5 6 8 | 10 | 10 | |||
| 13 | 20~ 1000 | 4 5 6 8 | 11 | |||||
| 15 | 4 5 6 8 10 | 13 | ||||||
| 16 | 25~ 1200 | 4 5 6 8 10 | 14 | |||||
| 18 | 4 5 6 8 10 12 | 16 | ||||||
| 20 | -0.007 -0.020 |
4 5 6 8 10 12 | 17 | 1.0 | ||||
| 25 | 30~ 1200 | 4 5 6 8 10 12 16 | 22 | |||||
| 30 | 30~ 1500 | 6 8 10 12 16 20 | 27 | 15 | ||||
| 35 | -0.009 -0.025 |
8 10 12 16 20 24 | 30 | |||||
| 40 | 40~ 1500 | 10 12 16 20 24 30 | 36 | 20 | ||||
| 50 | 60~ 1500 | 12 16 20 24 30 | 41 | |||||
精密级
| 型号 |
L 最小单位1 |
M 选择 |
扳手槽尺寸 |
C |
||||
| 代码 | Dg6 | S | W | V | ||||
| Y-FCD32 Y-FCD36 Y-FCD37 |
6 | -0.004 -0.012 |
20~300 | 3 | 要求指定 S尺寸 参阅导向轴 产品简介 |
5 | 8 | 0.5 |
| 8 | -0.005 -0.014 |
3 4 5 | 7 | |||||
| 10 | 20~350 | 3 4 5 6 | 8 | |||||
| 12 | -0.006 -0.017 |
4 5 6 8 | 10 | 10 | ||||
| 13 | 4 5 6 8 | 11 | ||||||
| 15 | 4 5 6 8 10 | 13 | ||||||
| 16 | 4 5 6 8 10 | 14 | ||||||
| 18 | 4 5 6 8 10 12 | 16 | ||||||
| 20 | -0.007 -0.020 |
25~450 | 4 5 6 8 10 12 | 17 | 1.0 | |||
| 25 | 4 5 6 8 10 12 16 | 22 | ||||||
| 30 | 6 8 10 12 16 20 | 27 | 15 | |||||
可选加工

产品简介
1. 添加筛选条件,生成产品型号
客服
购物车
公众号
微信公众号
订单/资讯随手掌握
微信技术交流服务群
扫码添加进群
浏览记录
问题反馈
置顶
Copyright © 2010-2026 东莞怡合达自动化股份有限公司 版权所有 粤ICP备14032684号
营业执照: 91441900566614589Q