型号筛选
可选加工(可选)
未生成型号,还有 3 项未选择
重置
代码
无数据
参数选型
性价比
无数据
产品选型
代码
无数据
缸径
无数据
价格生成中...
图片仅供参考,请以已选的规格为准
手动夹紧缸 标准型/经济型
条件筛选:
产品型号:
未税折扣单价: -- --
含税折扣单价: ----
含税总价 (税率13%): ¥--
预计发货天数:-- 天 (发货天数以下单次日起算,不含周日与法定假日)
购买数量():
起订量:0
, 加量幅度:0
登录后可查看价格、加入购物车、一键购买
立即登录
价格生成中...
登录后可查看价格、加入购物车、一键购买
立即登录
代码的技术资料信息曾有所变更,可前往 型号勘误表 查看变更记录
相似商品
同类人气商品
技术图档
全部型号
3D预览
技术图档
材质图
参数图
| 代码 | 类型 | 本体材质 | 表面处理 |
| NTF02 | 标准型 | 铝合金 | 阳极氧化 |
| E-NTF02 | 经济型 |
特点:
曲柄连杆机构的一体式夹紧器,过死点自锁功能;
最大打开角度5°~110°范围内无级可调;
带标准安装孔的夹臂,缸体四面可安装;
手动夹紧打开功能。
安装使用时必须配备节流阀,节流阀需另行购买。
含传感器NPN型,不含线缆,传感器线缆请联系技术人员确认。

选型表
| 型号 | 最大保持力矩(N·m) | 5bar气压下压紧力矩(N·m) | 最大工作气压(bar) | 重量(kg) | |
| 代码 | 缸径 | ||||
| NTF02 E-NTF02 |
40 | 380 | 120 | 6 | 2 |
| 50 | 800 | 160 | 4.3 | ||
| 63 | 1500 | 380 | 5.7 | ||
| 80 | 2500 | 800 | 17 | ||
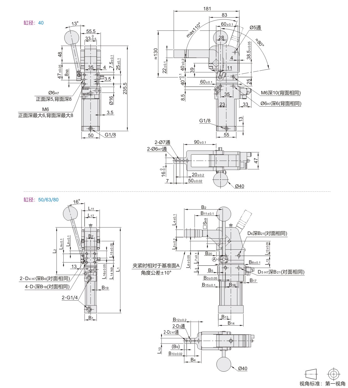
尺寸表
| 缸径 | B1 | B2 | B3 | B4 | B5 | B6 | B7 | B8 | B9 | B10 | B11 | B12 | B13 | B14 | B15 | B16 | B17 | B18 | B19 | B20 | B21 | D1 | D2 | D3 | D4 | D5 | D6 | L1 | L2 | L3 | L4 | L5 | L6 | L7 | L8 | L9 | L10 | L11 | L12 | L13 | L14 | L15 | L16 | L17 | Sh9 |
| 50 | 48 | 144 | 10 | 65 | 6.5 | 10 | 30 | 93 | 9 | 30 | 92 | 30 | 47 | 92 | 23 | 50 | 4.5 | 11 | 3.5 | 9.5 | 12 | M8 | 6 | 9 | 8 | 10 | M10 | 321 | 178 | 35 | 28 | 51.5 | 36.5 | 55 | 11 | 32 | 20 | 68 | 55 | 45 | 12 | 71.5 | 27 | 45 | 19 |
| 63 | 54 | 7.5 | 54 | 107 | 7.5 | 12.5 | 361 | 211 | 61 | 78 | 52 | 22 | |||||||||||||||||||||||||||||||||
| 80 | 76 | 179 | 15 | 8 | 12 | 50 | 134 | 119 | 70 | 140 | 36 | 70 | 8 | 15 | 20 | 13 | M10 | 12 | M12 | 486 | 270 | 55 | 35 | 70 | 50 | 80 | 15 | 50 | 25 | 108 | 65 | 75 | 96.5 | 40 | 74 | 30 |
1. 添加筛选条件,生成产品型号
客服
购物车
公众号
微信公众号
订单/资讯随手掌握
微信技术交流服务群
扫码添加进群
浏览记录
问题反馈
置顶
Copyright © 2010-2026 东莞怡合达自动化股份有限公司 版权所有 粤ICP备14032684号
营业执照: 91441900566614589Q