型号筛选
可选加工(可选)
未生成型号,还有 4 项未选择
重置
代码
无数据
产品选型
代码
无数据
主体尺寸
无数据
驱动器规格
无数据
端口
无数据
线缆长度(m)
无数据
价格生成中...
图片仅供参考,请以已选的规格为准
电动夹爪 驱动器内/外置型 经济紧凑型
品牌名称:
怡合达
条件筛选:
产品型号:
未税折扣单价: -- --
含税折扣单价: ----
含税总价 (税率13%): ¥--
预计发货天数:-- 天 (发货天数以下单次日起算,不含周日与法定假日)
购买数量(PCS):
起订量:1PCS
, 加量幅度:1PCS
登录后可查看价格、加入购物车、一键购买
立即登录
价格生成中...
登录后可查看价格、加入购物车、一键购买
立即登录
代码NHM96的技术资料信息曾有所变更,可前往 型号勘误表 查看变更记录
相似商品
同类人气商品
技术图档
全部型号
3D预览
技术图档
材质图
| 主体尺寸 | 10 | 16 | 20 | 25 | 32 | 40 | |
| 开闭行程/两侧(mm) | 4 | 6 | 10 | 14 | 22 | 30 | |
| 最高速度(轻载)(mm/s) | 82 | 40 | 52 | 52 | 50 | 52 | |
| 全行程最短时间(轻载)(s) | 0.25 | 0.35 | 0.28 | 0.35 | 0.52 | 0.68 | |
| 峰值夹持力(N) | 12 | 23 | 48 | 72 | 135 | 190 | |
| 重复对中定位精度(mm) | ±0.02 | ||||||
| 空转行程/单侧(mm) | ≤0.4 | ≤0.25 | ≤0.5 | ||||
| 最高使用频率(C.P.M) | 40 | 60 | |||||
| 防护等级 | IP30 | ||||||
| 推荐适用工件重量(g) | 70 | 140 | 292 | 430 | 810 | 1140 | |
| 电机种类 | 步进电机 | ||||||
| 电源电压(V)/电流(A) | DC24V/1.2A | DC24V/1.6A | DC24V/1.8A | DC24V/2.4A | |||
| 使用环境温度(℃) | 5~40 | ||||||
| 使用环境湿度 | 90%以下(未结露) | ||||||
| 峰值功率(W) | 40 | 50 | 90 | ||||
| 负载容许力矩 (N·m) |
Mx | 0.21 | 0.55 | 1.1 | 1.5 | 2.5 | 3.5 |
| My | |||||||
| Mr | 0.42 | 1.1 | 2.2 | 3 | 5 | 7 | |
| 本体重量(kg) | 0.2 | 0.3 | 0.53 | 0.78 | 1.08 | 1.85 | |

主要零件及材质表
| 序号 | 名称 | 材质 |
| 1 | 手指组件 | 一 |
| 2 | 摇臂 | 特殊不锈钢 |
| 3 | 销轴 | 轴承钢 |
| 4 | 拉杆螺母 | 青铜 |
| 5 | 梯形丝杆 | 合金钢 |
| 6 | 电机安装板 | 铝合金 |
| 7 | 步进电机 | 一 |
| 8 | 外罩 | 铝合金 |
| 9 | 定位销 | 轴承钢 |
| 10 | 导轨 | 一 |
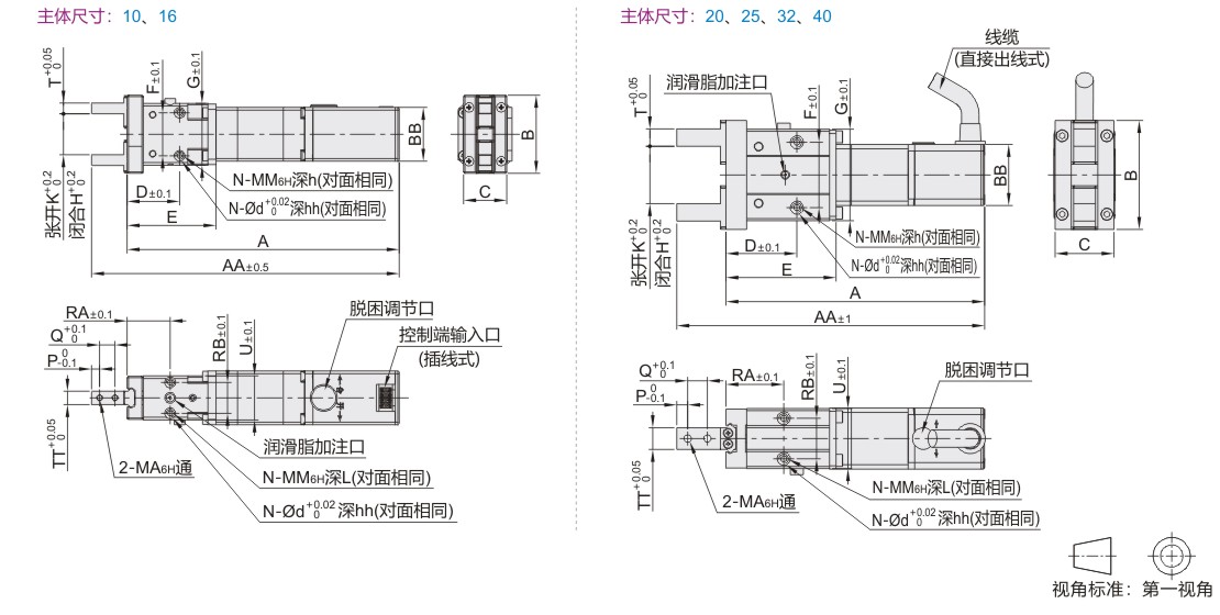
内部结构图

主体尺寸表
| 主体 尺寸 |
A | AA | B | BB | C | D | E | F | G | H | K | T | N | MM | h | d | hh | P | Q | U | RA | RB | TT | MA | L |
| 10 | 101 | 114.2 | 29 | 20 | 16 | 19.5 | 33 | 16 | 23 | 11 | 16 | 3.95 | 2 | M3 | 6 | 4 | 1.2 | 3.1 | 5.6 | 16.4 | 16 | 11.5 | 4.95 | M2.5 | 5 |
| 16 | 108.5 | 125.8 | 38 | 23.2 | 25 | 40.5 | 24.5 | 38.5 | 15 | 21 | 4.95 | M4 | 8 | 6 | 4.1 | 6.9 | 23.6 | 19.5 | 15.5 | 7.95 | M3 | 8 | |||
| 20 | 118.5 | 141 | 50 | 28 | 27 | 32.5 | 50.5 | 30 | 42 | 16.1 | 26.1 | 8 | M5 | 5 | 8.9 | 27.6 | 26.5 | 18.6 | 9.95 | M4 | |||||
| 25 | 132 | 160.1 | 63 | 33.2 | 44.6 | 57 | 36 | 52 | 19.1 | 33.1 | 9.95 | M6 | 12 | 8 | 2 | 6.1 | 11.9 | 33.6 | 38.1 | 22 | 11.95 | M5 | 9.5 | ||
| 32 | 152 | 185.7 | 96 | 35 | 40 | 39 | 70 | 46 | 60 | 24.8 | 46.8 | 11.95 | 7.1 | 13.9 | 40 | 31 | 26 | 14.95 | M6 | 10 | |||||
| 40 | 168.5 | 209.5 | 119 | 42.2 | 47.6 | 49 | 86.5 | 56 | 72 | 29.8 | 59.8 | 14.3 | M8 | 16 | 10 | 2.2 | 9.1 | 16.9 | 48 | 40 | 32 | 17.95 | M8 | 16 |
1. 添加筛选条件,生成产品型号
客服
购物车
公众号
微信公众号
订单/资讯随手掌握
微信技术交流服务群
扫码添加进群
浏览记录
问题反馈
置顶
Copyright © 2010-2026 东莞怡合达自动化股份有限公司 版权所有 粤ICP备14032684号
营业执照: 91441900566614589Q