型号筛选
可选加工(可选)
未生成型号,还有 2 项未选择
重置
代码
无数据
产品选型
代码
无数据
缸径
无数据
单侧开闭行程
无数据
价格生成中...
图片仅供参考,请以已选的规格为准
强力机械手 缸径33/42/55/75/95 强力四指夹爪
品牌名称:
怡合达
条件筛选:
产品型号:
未税折扣单价: -- --
含税折扣单价: ----
含税总价 (税率13%): ¥--
预计发货天数:-- 天 (发货天数以下单次日起算,不含周日与法定假日)
购买数量(PCS):
起订量:1PCS
, 加量幅度:1PCS
登录后可查看价格、加入购物车、一键购买
立即登录
价格生成中...
登录后可查看价格、加入购物车、一键购买
立即登录
代码NIQ63的技术资料信息曾有所变更,可前往 型号勘误表 查看变更记录
相似商品
同类人气商品
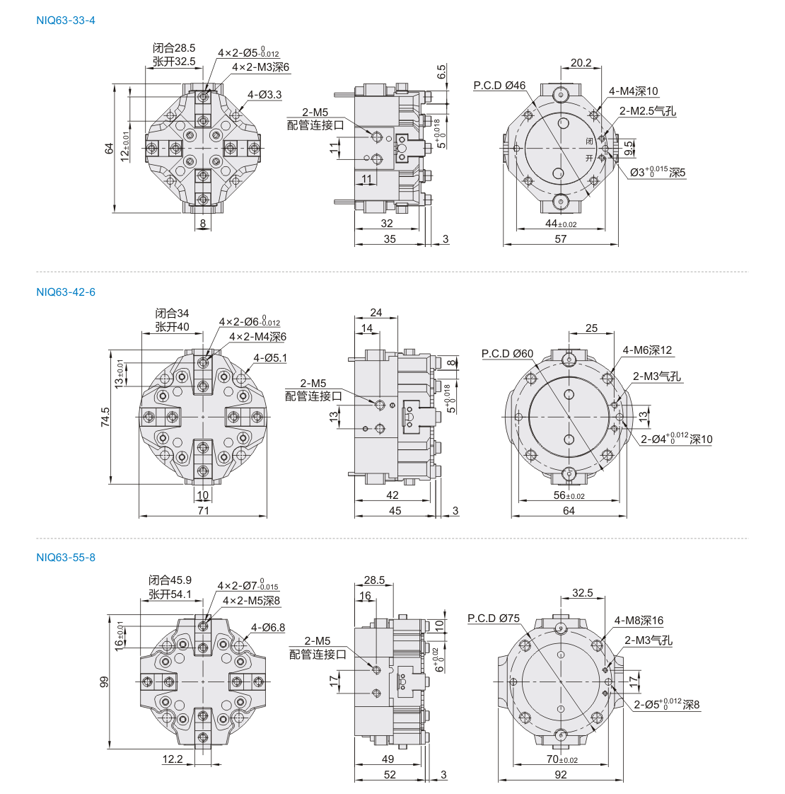
技术图档
全部型号
3D预览
技术图档
材质图
参数图
| 代码 | 类型 | 本体材质 | 表面处理 | |
| NIQ63 | 强力机械手 | 强力四指夹爪 | 航空硬铝 | 硬质阳极氧化 |


1. 添加筛选条件,生成产品型号
客服
购物车
小程序
怡合达商城小程序
随身商城一手掌握
公众号
微信公众号
订单/资讯随手掌握
微信技术交流服务群
扫码添加进群
浏览记录
问题反馈
置顶
Copyright © 2010-2026 东莞怡合达自动化股份有限公司 版权所有 粤ICP备14032684号
营业执照: 91441900566614589Q