商品分类
常规选型
图纸选型

型号筛选

未生成型号,还有 1 项未选择

重置

代码

产品选型

规格

查看大图

图片仅供参考,请以已选的规格为准

卫生级阀门 ISO标准 手动式 拉杆对夹型 蝶阀

条件筛选:

类型 拉杆对夹型
主体材质 SUS304
控制方式 手动式
种类 卫生级
标准 ISO标准
种类筛选 蝶阀

产品型号:

请先点击左侧选项进行选型>>

登录后可查看价格、加入购物车、一键购买

立即登录

SKU信息
3D模型
PDF下载
3D图库

技术图档

全部型号

3D预览

产品问答

材质图

参数图

材质图
代码    类型   
控制方式
材质
公称压力
工作温度
   使用流体   
阀体    密封件
BLA15
拉杆
对夹型
手动式
SUS304
橡胶
0~1.0Mpa
0~120℃
水/油/空气

 

 

参数图

 

选型表

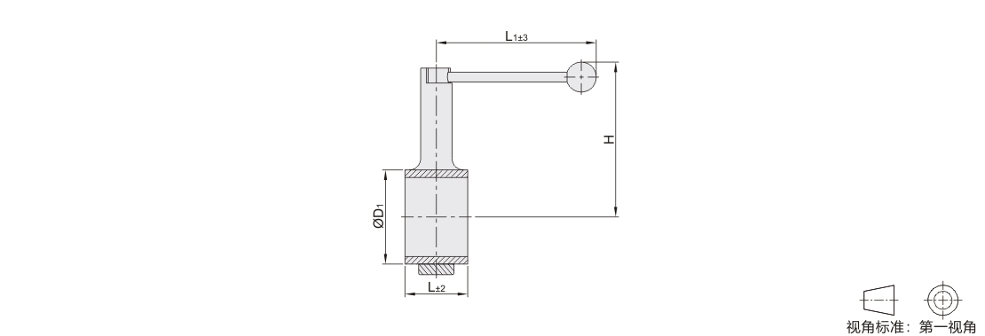
型号
适用管径
D1
L±2
L1±3
H
代码 规格
BLA15 40     DN40 78 35 130 95
50     DN50 93 42 160 110
65     DN65 107 44 113
80     DN80 123 125
100     DN100 151 46 135

 

Copyright © 2010-2026 东莞怡合达自动化股份有限公司 版权所有 粤ICP备14032684号

营业执照: 91441900566614589Q