型号筛选
可选加工(可选)
未生成型号,还有 3 项未选择
重置
代码
无数据
参数选型
类型
无数据
产品选型
代码
无数据
规格
无数据
价格生成中...
图片仅供参考,请以已选的规格为准
工业级阀门 直角式/淹没式 电磁脉冲阀
品牌名称:
怡合达
条件筛选:
产品型号:
未税折扣单价: -- --
含税折扣单价: ----
含税总价 (税率13%): ¥--
预计发货天数:-- 天 (发货天数以下单次日起算,不含周日与法定假日)
购买数量():
起订量:0
, 加量幅度:0
登录后可查看价格、加入购物车、一键购买
立即登录
价格生成中...
登录后可查看价格、加入购物车、一键购买
立即登录
代码的技术资料信息曾有所变更,可前往 型号勘误表 查看变更记录
相似商品
同类人气商品
技术图档
全部型号
3D预览
技术图档
材质图
参数图
| 代码 | 类型 | 主体材质 | 工作压力 | 工作温度 | 使用流体 | 电源类型 | |
| XMS34 | 直角式 | 铝合金 | 0.3~0.8 | -5~55 | 清洁空气 | AC220V | |
| XMS35 | 淹没式 | ||||||
膜片寿命:喷吹100万次以上。

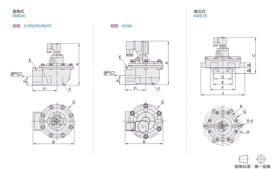
直角式
| 型号 |
A |
B |
D |
E |
F |
E1 |
F1 |
|
| 代码 | 规格 | |||||||
| XMS34 | 01 | 121 | 87 | 73 | G3/4 | G3/4 | 21.2 | 50.5 |
| 02 | G1 | G1 | ||||||
| 03 | 140 | 121 | 110 | G11/4 | G11/4 | 30.5 | 66 | |
| 04 | 169 | 135 | 125 | G11/2 | G11/2 | 32.6 | 72.5 | |
| 05 | 202 | 204 | 183 | G2 | G2 | 40 | 112.5 | |
| 06 | 220 | 210 | 184 | G21/2 | G21/2 | 48 | 118 | |
| 07 | 235 | 230 | 198 | G3 | G3 | 53.5 | 131 | |
淹没式
| 型号 |
A |
B |
C |
D |
E |
F |
G |
H |
J |
K |
d |
|
| 代码 | 规格 | |||||||||||
| XMS35 | 01 | 27 | 31 | 184 | 66 | 78.5 | 119 | 156 | 177.5 | 197 | 138.5 | 11.5 |
| 02 | 35 | 195 | 82 | 92.5 | 139 | 183 | 207 | 225 | 165.5 | |||
| 03 | 35 | 202 | 96 | 107 | 198 | 227 | 245 | 180.5 | ||||
1. 添加筛选条件,生成产品型号
客服
购物车
公众号
微信公众号
订单/资讯随手掌握
微信技术交流服务群
扫码添加进群
浏览记录
问题反馈
置顶
Copyright © 2010-2026 东莞怡合达自动化股份有限公司 版权所有 粤ICP备14032684号
营业执照: 91441900566614589Q