商品分类
常规选型
图纸选型

型号筛选

未生成型号,还有 1 项未选择

重置

代码

产品选型

公称尺寸

图片仅供参考,请以已选的规格为准

卫生级阀门 球阀 3A标准 卫生级 手动式三片式全包型

条件筛选:

类型 全包型
主体材质 SUS304
控制方式 手动式
种类 卫生级
标准 3A标准
结构方式 三片式
种类筛选 球阀

产品型号:

请先点击左侧选项进行选型>>

登录后可查看价格、加入购物车、一键购买

立即登录

SKU信息
3D模型
PDF下载
3D图库

技术图档

全部型号

3D预览

产品问答

材质图

参数图

材质图
代码 类型 材质
密封圈 阀座
BLA81 手动三片式全包型 SUS304 PTFE PTFE

 

 

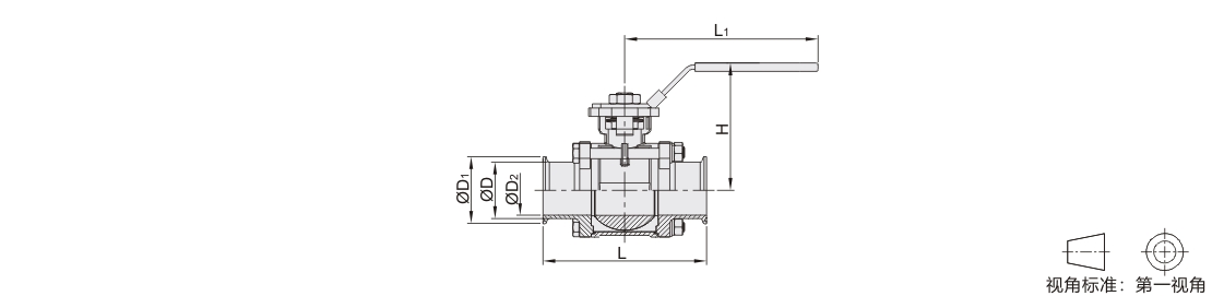
参数图

 

选型表

型号
适用管径
D
D1
D2
L
L1
H
代码 公称尺寸
BLA81 5 1/2" 12.7 25.2 9.4 90 130 62
8 3/4" 19.1 15.8 102 68
10 1" 25.4 50.5 22.1 115 170 89
12 1.25" 31.8 28.5 125
15 1.5" 38.1 34.8 138 215 115
20 2" 50.8 64 47.5 156 121
25 2.5" 63.5 77.5 60.2 170 138
30 3" 76.2 91 72.9 197 325 155
40 4" 101.6 119 97.4 242 167
60 6" 152.4 167 146.9 394 680 248

 

Copyright © 2010-2026 东莞怡合达自动化股份有限公司 版权所有 粤ICP备14032684号

营业执照: 91441900566614589Q