型号筛选
可选加工(可选)
未生成型号,还有 1 项未选择
重置
代码
无数据
产品选型
代码
无数据
规格
无数据
价格生成中...
图片仅供参考,请以已选的规格为准
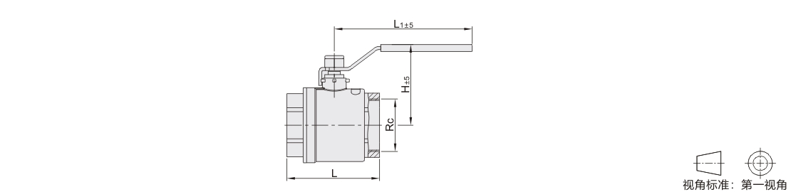
工业级阀门 手动式 球阀•两片式·双内螺纹型
条件筛选:
产品型号:
未税折扣单价: -- --
含税折扣单价: ----
含税总价 (税率13%): ¥--
预计发货天数:-- 天 (发货天数以下单次日起算,不含周日与法定假日)
购买数量(PCS):
起订量:1PCS
, 加量幅度:1PCS
登录后可查看价格、加入购物车、一键购买
立即登录
价格生成中...
登录后可查看价格、加入购物车、一键购买
立即登录
代码BMS87的技术资料信息曾有所变更,可前往 型号勘误表 查看变更记录
相似商品
同类人气商品
技术图档
全部型号
3D预览
技术图档
产品问答
材质图
参数图
产品问答
关于此产品的常见问题
1、球阀一片式、两片式和三片式有什么区别
1、一片式球阀由于阀体采用整体式结构,其外形较小,重量轻。球芯、阀座、阀杆是从阀体一侧流道内装入,
由于阀体流道尺寸限制,全通径尺寸球芯无法装入阀体内部,所以一片式球阀球芯流道是缩径的
2、二片式球阀的阀体由主阀体和副阀体两部分组成,所以称为二片式球阀。是我们常用的一种球阀。
球芯、阀座、阀杆装入主阀体后,副阀体通过螺纹或螺栓与主阀体连接起来。其球芯流道为全通径尺寸,流阻小,流通能力大。
3、三片式球阀的阀体是由一个主阀体,两个副阀体组成,所以称为三片式球阀。
球芯和阀杆装入主阀体后,副阀体装入阀座,通过螺栓把主副阀体连接为一体。其球芯流道也是全通径尺寸。
2、英寸尺寸与螺纹通径怎么对应
1/8""=DN6;1/4""=DN8; 3/8"=DN10; 1/2"=DN15; 1"=DN25;1.25"=DN32;1.5"=DN40;2"=DN50;2.5"=DN65;
1. 添加筛选条件,生成产品型号
客服
购物车
公众号
微信公众号
订单/资讯随手掌握
微信技术交流服务群
扫码添加进群
浏览记录
问题反馈
置顶
Copyright © 2010-2026 东莞怡合达自动化股份有限公司 版权所有 粤ICP备14032684号
营业执照: 91441900566614589Q