商品分类
常规选型
图纸选型

型号筛选

未生成型号,还有 1 项未选择

重置

代码

产品选型

规格

图片仅供参考,请以已选的规格为准

真空类管道配件 KF标准 法兰环 承插焊型 SUS304材质

条件筛选:

类型 承插焊型
材质 SUS304
产品名称 盲板
标准 KF标准
种类筛选 真空类管道配件

产品型号:

请先点击左侧选项进行选型>>

登录后可查看价格、加入购物车、一键购买

立即登录

SKU信息
3D模型
PDF下载
3D图库

技术图档

全部型号

3D预览

产品问答

材质图

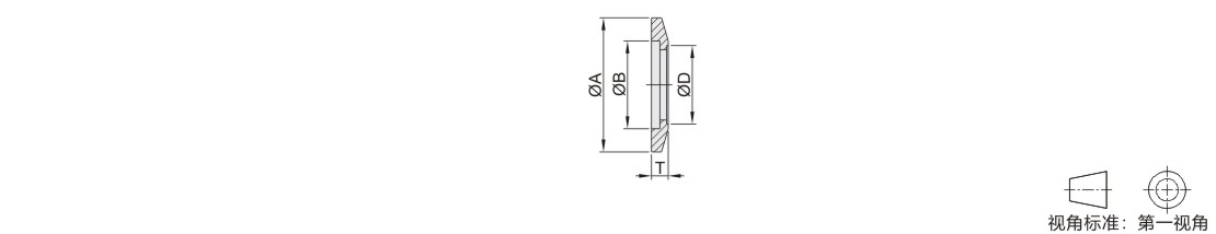
参数图

材质图
代码 类型 标准 材质
BLQ22 承插焊型 KF SUS304

 

 

参数图

 

选型表

型号
A
B
D
T
代码 规格
BLQ22 10 30 12.2 12.7 5
16 17.2 19.3
25 40 26.2 25.6
40 55 41.2 38.4
50 75 52.2 51.3

Copyright © 2010-2026 东莞怡合达自动化股份有限公司 版权所有 粤ICP备14032684号

营业执照: 91441900566614589Q