商品分类
常规选型
图纸选型

型号筛选

未生成型号,还有 1 项未选择

重置

代码

产品选型

规格

图片仅供参考,请以已选的规格为准

真空类管道配件 ISO标准 卡钳螺钉 铝合金材质

条件筛选:

材质 铝合金
产品名称 卡钳螺钉
标准 ISO标准
种类筛选 真空类管道配件

产品型号:

请先点击左侧选项进行选型>>

登录后可查看价格、加入购物车、一键购买

立即登录

SKU信息
3D模型
PDF下载
3D图库

技术图档

全部型号

3D预览

产品问答

材质图

参数图

材质图
代码 类型 标准 材质
BLQ27 卡钳螺钉 ISO 铝合金

 

 

参数图

 

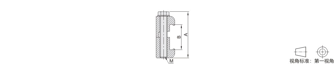
选型表

型号
A
B±1
M
适用法兰型号
代码 规格
BLQ27 01 49.7 27.1~43.6 M8 ISO63~ISO125
02 50.1 27.6~43.6 M10 ISO160~ISO250
03 62.4 35.8~58.4 M12 ISO320~ISO500

Copyright © 2010-2026 东莞怡合达自动化股份有限公司 版权所有 粤ICP备14032684号

营业执照: 91441900566614589Q