商品分类
常规选型
图纸选型

型号筛选

未生成型号,还有 1 项未选择

重置

代码

产品选型

规格

图片仅供参考,请以已选的规格为准

真空类管道配件 法兰  ISO标准 转换型 SUS304材质

条件筛选:

类型 转换型
材质 SUS304
产品名称 法兰
标准 ISO标准
种类筛选 真空类管道配件

产品型号:

请先点击左侧选项进行选型>>

登录后可查看价格、加入购物车、一键购买

立即登录

SKU信息
3D模型
PDF下载
3D图库

技术图档

全部型号

3D预览

产品问答

材质图

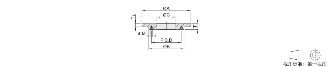
参数图

材质图
代码 类型 材质
BLQ34 转换型 SUS304

 

 

参数图

 

选型表

型号
A
B
C
P.C.D
M
T
T1
代码 规格
BLQ34 63 180 130 70 110 M8 22 12
80 165 102 145 25
100 240 20
160 225 153 200 M10 25

Copyright © 2010-2026 东莞怡合达自动化股份有限公司 版权所有 粤ICP备14032684号

营业执照: 91441900566614589Q