商品分类
常规选型
图纸选型

型号筛选

未生成型号,还有 1 项未选择

重置

代码

产品选型

规格

查看大图

图片仅供参考,请以已选的规格为准

真空管道类配件 真空卡箍

条件筛选:

材质 铝合金
产品名称 真空卡箍
标准 KF标准
种类筛选 真空类管道配件

产品型号:

请先点击左侧选项进行选型>>

登录后可查看价格、加入购物车、一键购买

立即登录

SKU信息
3D模型
PDF下载
3D图库

技术图档

全部型号

3D预览

产品问答

材质图

参数图

材质图
代码 类型 标准 材质
BLQ42 真空卡箍
KF 铝合金

 

 

参数图

 

选型表

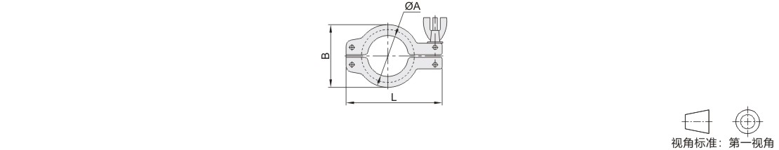
型号
A
B
L
代码 规格
BLQ42 KF10 19 41 62
KF16
KF25 30 52 72
KF40 45 68 89
KF50 60 91 113

Copyright © 2010-2026 东莞怡合达自动化股份有限公司 版权所有 粤ICP备14032684号

营业执照: 91441900566614589Q