商品分类
常规选型
图纸选型

型号筛选

未生成型号,还有 1 项未选择

重置

代码

产品选型

规格

图片仅供参考,请以已选的规格为准

真空类管道配件 KF标准 异径三通 SUS304材质

条件筛选:

材质 SUS304
产品名称 异径三通
标准 KF标准
种类筛选 真空类管道配件

产品型号:

请先点击左侧选项进行选型>>

登录后可查看价格、加入购物车、一键购买

立即登录

SKU信息
3D模型
PDF下载
3D图库

技术图档

全部型号

3D预览

产品问答

材质图

参数图

材质图
代码 类型 标准 材质
BLQ16 异径三通 KF SUS304

 

 

参数图

 

选型表

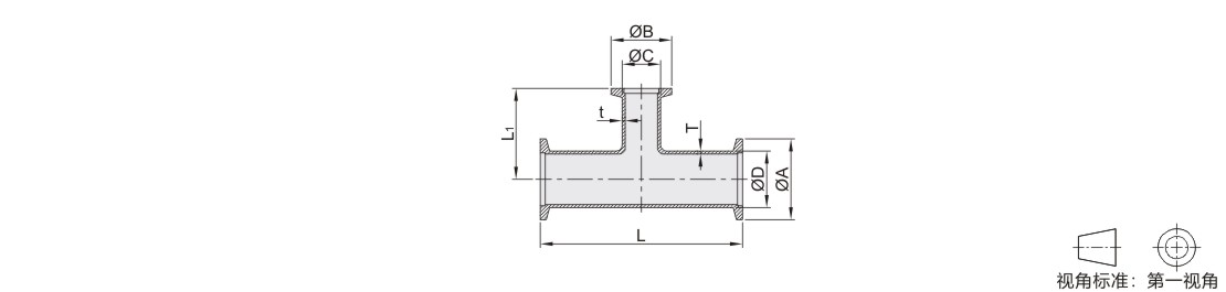
型号
A
D
T
B
C
t L
L1
代码 规格
BLQ16 2516 40 28 1.5    30    19 1.5 100 45
4016 55 42 130 42
4025 40 28 60
5016 75 54 30 19 140 65
5025 40 28
5040 55 42

Copyright © 2010-2026 东莞怡合达自动化股份有限公司 版权所有 粤ICP备14032684号

营业执照: 91441900566614589Q