商品分类
常规选型
图纸选型

型号筛选

未生成型号,还有 3 项未选择

代码

参数选型

材质

产品选型

公称尺寸

图片仅供参考,请以已选的规格为准

卫生级管道配件 3A标准 焊接型短三通

条件筛选:

产品名称 焊接型短三通
标准 3A标准
种类筛选 卫生级管道配件

产品型号:

请先点击左侧选项进行选型>>

登录后可查看价格、加入购物车、一键购买

立即登录

SKU信息
3D模型
PDF下载
3D图库

技术图档

全部型号

3D预览

产品问答

材质图

参数图

材质图
代码 类型
材质
BLA61 焊接型短三通 SUS304
BLA62 SUS316L

 

 

参数图

 

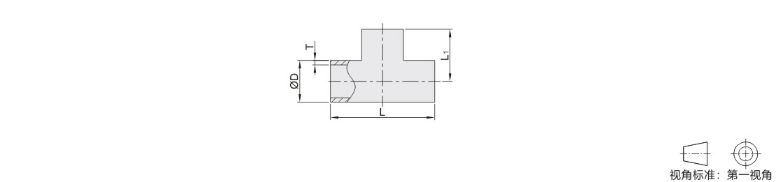
选型表

型号 适用管径 ØD L L1 T
代码 公称尺寸
BLA61
BLA62
10 1" 25.4 57.2 28.6 1.65
15 1.5" 38.1 84.2 42.1
20 2" 50.8 104.8 52.4
25 2.5" 63.5 119 59.5
30 3" 76.2 131.8 65.9
40 4" 101.6 174.6 87.3 2.1

 

Copyright © 2010-2026 东莞怡合达自动化股份有限公司 版权所有 粤ICP备14032684号

营业执照: 91441900566614589Q