商品分类
常规选型
图纸选型

型号筛选

未生成型号,还有 1 项未选择

重置

代码

产品选型

公称尺寸

查看大图

图片仅供参考,请以已选的规格为准

卫生级管道配件 3A标准 夹式变径短三通 SUS304材质

条件筛选:

材质 SUS304
产品名称 夹式变径短三通
标准 3A标准
种类筛选 卫生级管道配件

产品型号:

请先点击左侧选项进行选型>>

登录后可查看价格、加入购物车、一键购买

立即登录

SKU信息
3D模型
PDF下载
3D图库

技术图档

全部型号

3D预览

产品问答

材质图

参数图

材质图
代码 类型
材质
BLA38 夹式变径短三通 SUS304

 

 

参数图

 

选型表

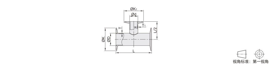
型号 适用管径 D d L K K1 T T1
代码 公称尺寸
BLA38 1510  1.51 " 38.1  25.4  109.6  50.5  50.5  1.65  1.65 
2010  21 " 50.8  25.4  130.2  64 
2015  21.5 " 38.1 
2510  2.51 " 63.5  25.4  144.4  77.5 
2515  2.51.5 " 38.1 
2520  2.52 " 50.8  64 
3010  3 1 " 76.2  25.4  157.2 91  50.5 
3015  3 1.5 " 38.1 
3020  3 2 " 50.8  64 
3025  3 2.5 " 63.5  77.5 
4010  41 " 101.6  25.4  206.2  119  50.5  2.1 
4015  41.5 " 38.1 
4020  42 " 50.8  64 
4025  42.5 " 63.5  77.5 
4030  43 " 76.2  91 

 

Copyright © 2010-2026 东莞怡合达自动化股份有限公司 版权所有 粤ICP备14032684号

营业执照: 91441900566614589Q