商品分类
常规选型
图纸选型

型号筛选

未生成型号,还有 1 项未选择

重置

代码

产品选型

公称尺寸

查看大图

图片仅供参考,请以已选的规格为准

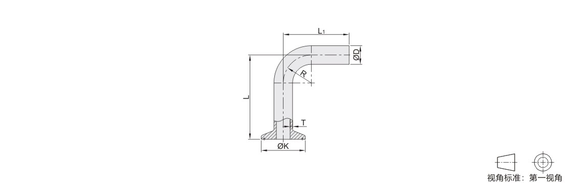
卫生级管道配件 3A标准 焊夹式90°长弯头 SUS304材质

条件筛选:

材质 SUS304
产品名称 焊夹式90°长弯头
标准 3A标准
种类筛选 卫生级管道配件

产品型号:

请先点击左侧选项进行选型>>

登录后可查看价格、加入购物车、一键购买

立即登录

SKU信息
3D模型
PDF下载
3D图库

技术图档

全部型号

3D预览

产品问答

材质图

参数图

材质图
代码 类型
材质
BLA47 焊夹式90°长弯头
SUS304

 

 

参数图

 

选型表

型号 适用管径 D L L1 R K T
代码 公称尺寸
BLA47 5 1/2" 12.7 65.1 52.4 19.1 25.2 1.65
8 3/4" 19.1 28.6
10 1" 25.4 38.1 50.5
15 1.5" 38.1 87.3 74.6 57.2
20 2" 50.8 115.9 103.2 76.2 64
25 2.5" 63.5 144.5 131.8 95.3 77.5
30 3" 76.2 173 160.3 114.3 91
40 4" 101.6 227 211.2 152.4 119 2.1

Copyright © 2010-2026 东莞怡合达自动化股份有限公司 版权所有 粤ICP备14032684号

营业执照: 91441900566614589Q