商品分类
常规选型
图纸选型

型号筛选

未生成型号,还有 1 项未选择

重置

代码

产品选型

公称尺寸

查看大图

图片仅供参考,请以已选的规格为准

卫生级管道配件 3A标准 焊接型变径短三通 SUS304材质

条件筛选:

材质 SUS304
产品名称 焊接型变径短三通
标准 3A标准
种类筛选 卫生级管道配件

产品型号:

请先点击左侧选项进行选型>>

登录后可查看价格、加入购物车、一键购买

立即登录

SKU信息
3D模型
PDF下载
3D图库

技术图档

全部型号

3D预览

产品问答

材质图

参数图

材质图
代码 类型
材质
BLA65 焊接型变径短三通 SUS304

 

 

参数图

 

选型表

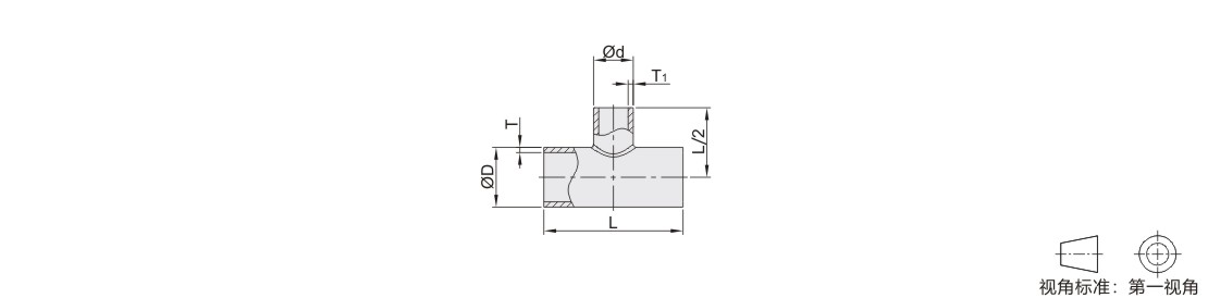
型号 适用管径 D d L T T1
代码 公称尺寸
BLA65 0805 3/41/2" 19.1 12.7 57.2 1.65 1.65
1005 11/2" 25.4
1008 13/4" 19.1
1505 1.51/2" 38.1 12.7 84.2
1508 1.53/4" 19.1
1510 1.51" 25.4
2005 21/2" 50.8 12.7 104.8
2008 23/4" 19.1
2010 21" 25.4
2015 21.5" 38.1
2510 2.51" 63.5 25.4 119
2515 2.51.5" 38.1
2520 2.52" 50.8
3010 31" 76.2 25.4 131.8
3015 31.5" 38.1
3020 32" 50.8
3025 32.5" 63.5
4010 41" 101.6 25.4 174.6 2.1
4015 41.5" 38.1
4020 42" 50.8
4025 42.5" 63.5
4030 43" 76.2

 

Copyright © 2010-2026 东莞怡合达自动化股份有限公司 版权所有 粤ICP备14032684号

营业执照: 91441900566614589Q