商品分类
常规选型
图纸选型

型号筛选

未生成型号,还有 1 项未选择

重置

代码

产品选型

公称尺寸

查看大图

图片仅供参考,请以已选的规格为准

卫生级管道配件 3A标准 卡盘外螺纹转换接头 SUS304材质

条件筛选:

材质 SUS304
产品名称 卡盘外螺纹转换接头
标准 3A标准
种类筛选 卫生级管道配件

产品型号:

请先点击左侧选项进行选型>>

登录后可查看价格、加入购物车、一键购买

立即登录

SKU信息
3D模型
PDF下载
3D图库

技术图档

全部型号

3D预览

产品问答

材质图

参数图

材质图
代码 类型
材质
BLA98 卡盘外螺纹转换接头 SUS304

 

 

参数图

 

选型表

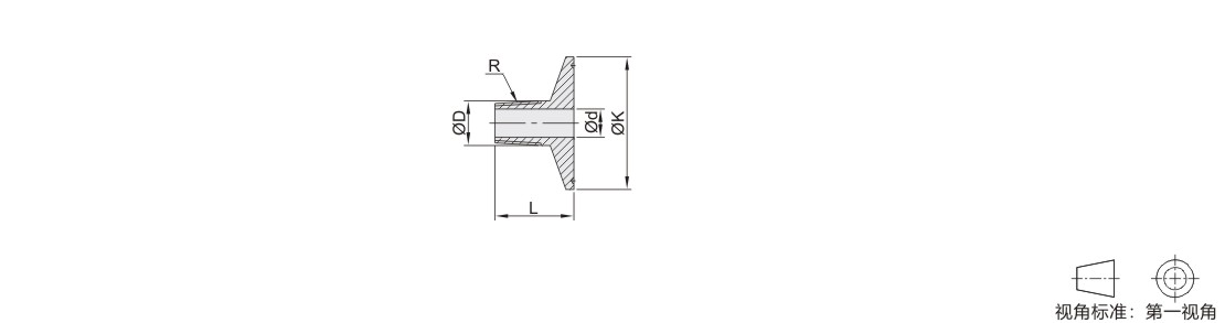
型号 R L D d K
代码 公称尺寸
BLA98 3 3/8" 30 17 12.9 50.5
5 1/2" 50 21 15.8
8 3/4" 27 22
10 1" 33 28
12    1.2" 42 36
12A 64
15 1.5" 48 40 50.5
15A 42 64
20 2" 60 51

 

Copyright © 2010-2026 东莞怡合达自动化股份有限公司 版权所有 粤ICP备14032684号

营业执照: 91441900566614589Q